电脑桌面
添加蜗牛文库到电脑桌面
安装后可以在桌面快捷访问

HJ 508-2009 环境标志产品技术要求 采暖散热器.pdfVIP免费

HJ 508-2009 环境标志产品技术要求 采暖散热器.pdf_第1页
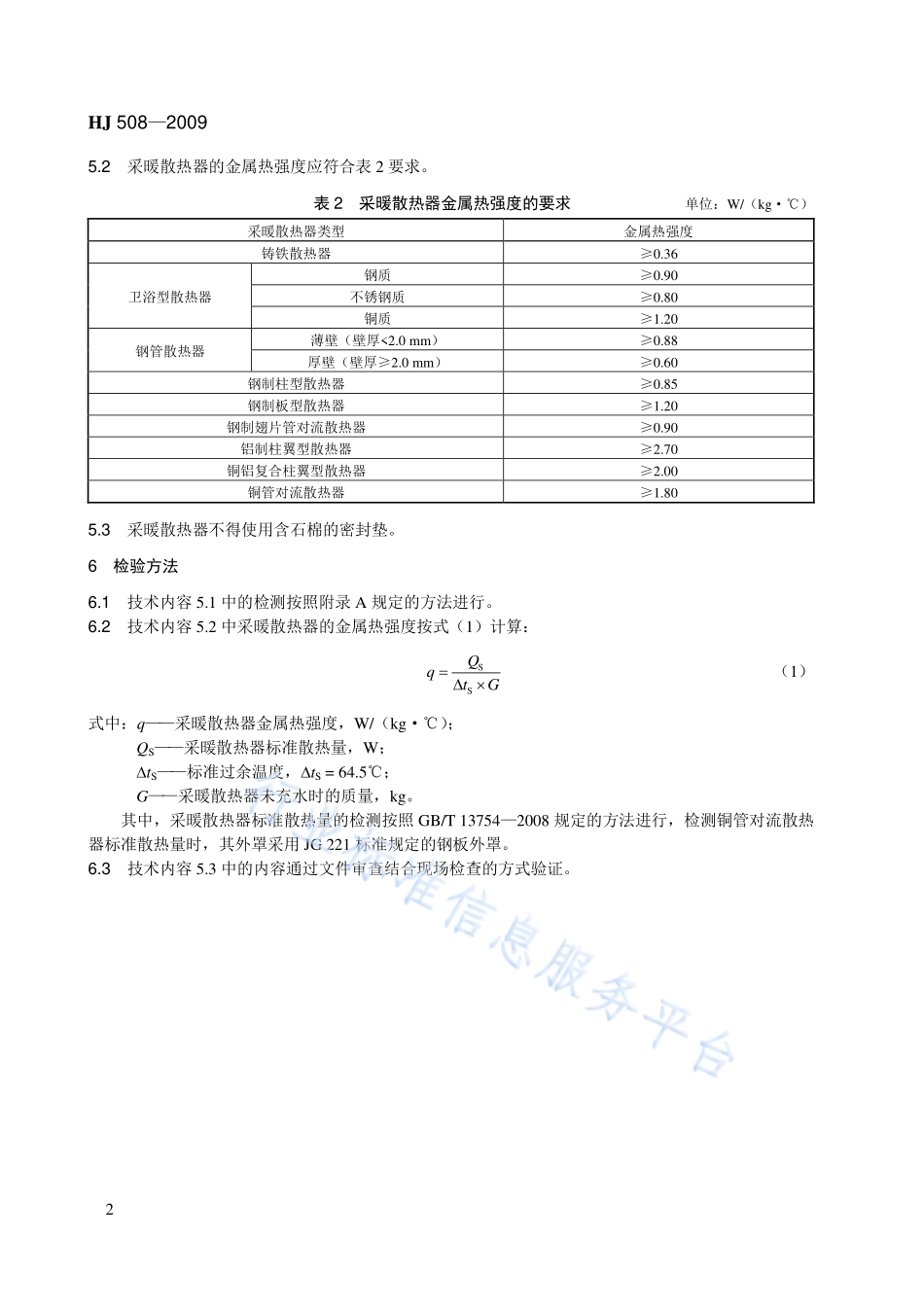
HJ 508-2009 环境标志产品技术要求 采暖散热器.pdf_第2页
HJ 508-2009 环境标志产品技术要求 采暖散热器.pdf_第3页
HJ508—20091环境标志产品技术要求采暖散热器1适用范围本标准规定了采暖散热器环境标志产品的术语和定义、基本要求、技术内容及其检验方法。本标准适用于工业、民用建筑中,以热水或蒸汽为热媒的采暖散热器,不适用于钢制闭式串片散热器。2规范性引用文件本标准内容引用了下列文件中的条款。凡是不注日期的引用文件,其有效版本适用于本标准。GB19913铸铁采暖散热器GB/T13754—2008采暖散热器散热量测定方法GB/T18883室内空气质量标准JG2钢制板型散热器JG143采暖散热器铝制柱翼型散热器JG220铜铝复合柱翼型散热器JG221铜管对流散热器JG232卫浴型散热器JG/T1钢制柱型散热器JG/T148钢管散热器JG/T3012.2采暖散热器钢制翅片管对流散热器3术语和定义下列术语和定义适用于本标准。采暖散热器以热水或蒸汽为热媒的通过对流和辐射方式向采暖房间放散热量的设备。4基本要求4.1产品质量应符合国家标准GB19913或行业标准JG2、JG143、JG220、JG221、JG232、JG/T1、JG/T148和JG/T3012.2的要求。4.2产品生产企业污染物排放应符合国家或地方规定的污染物排放标准。5技术内容5.1采暖散热器表面释放到空气中污染物的量应符合表1要求。表1采暖散热器表面释放到空气中污染物的限值单位:mg/m3项目限值甲醛(HCHO)≤0.03苯(C6H6)≤0.04甲苯(C7H8)≤0.07二甲苯(C8H10)≤0.07总挥发性有机化合物(TVOC)≤0.20HJ508—200925.2采暖散热器的金属热强度应符合表2要求。表2采暖散热器金属热强度的要求单位:W/(kg·℃)采暖散热器类型金属热强度铸铁散热器≥0.36卫浴型散热器钢质≥0.90不锈钢质≥0.80铜质≥1.20钢管散热器薄壁(壁厚<2.0mm)≥0.88厚壁(壁厚≥2.0mm)≥0.60钢制柱型散热器≥0.85钢制板型散热器≥1.20钢制翅片管对流散热器≥0.90铝制柱翼型散热器≥2.70铜铝复合柱翼型散热器≥2.00铜管对流散热器≥1.805.3采暖散热器不得使用含石棉的密封垫。6检验方法6.1技术内容5.1中的检测按照附录A规定的方法进行。6.2技术内容5.2中采暖散热器的金属热强度按式(1)计算:SSQqtG(1)式中:q——采暖散热器金属热强度,W/(kg·℃);QS——采暖散热器标准散热量,W;tS——标准过余温度,tS=64.5℃;G——采暖散热器未充水时的质量,kg。其中,采暖散热器标准散热量的检测按照GB/T13754—2008规定的方法进行,检测铜管对流散热器标准散热量时,其外罩采用JG221标准规定的钢板外罩。6.3技术内容5.3中的内容通过文件审查结合现场检查的方式验证。HJ508...

1、当您付费下载文档后,您只拥有了使用权限,并不意味着购买了版权,文档只能用于自身使用,不得用于其他商业用途(如 [转卖]进行直接盈利或[编辑后售卖]进行间接盈利)。
2、本站所有内容均由合作方或网友上传,本站不对文档的完整性、权威性及其观点立场正确性做任何保证或承诺!文档内容仅供研究参考,付费前请自行鉴别。
3、如文档内容存在违规,或者侵犯商业秘密、侵犯著作权等,请点击“违规举报”。

碎片内容

蜗牛文库的最新文档

二年级数学下册其中检测卷二年级数学下册其中检测卷附答案#期中测试卷.pdf
10.00金币
0下载
二年级数学下册期末质检卷(苏教版)二年级数学下册期末质检卷(苏教版)#期末复习 #期末测试卷 #二年级数学 #二年级数学下册#关注我持续更新小学知识.pdf
10.00金币
0下载
二年级数学下册期末混合运算专项练习二年级数学下册期末混合运算专项练习#二年级#二年级数学下册#关注我持续更新小学知识 #知识分享 #家长收藏孩子受益.pdf
10.00金币
1下载
二年级数学下册年月日三类周期问题解题方法二年级数学下册年月日三类周期问题解题方法#二年级#二年级数学下册#知识分享 #关注我持续更新小学知识 #家长收藏孩子受益.pdf
10.00金币
0下载
二年级数学下册解决问题专项训练二年级数学下册解决问题专项训练#专项训练#解决问题#二年级#二年级数学下册#知识分享.pdf
10.00金币
1下载
二年级数学下册还原问题二年级数学下册还原问题#二年级#二年级数学#关注我持续更新小学知识 #知识分享 #家长收藏孩子受益.pdf
10.00金币
1下载
二年级数学下册第六单元考试卷家长打印出来给孩子测试测试争取拿到高分!#小学二年级试卷分享 #二年级第六单考试数学 #第六单考试#二年级数学下册.pdf
10.00金币
0下载
二年级数学下册必背顺口溜口诀汇总二年级数学下册必背顺口溜口诀汇总#二年级#二年级数学下册 #知识分享 #家长收藏孩子受益 #关注我持续更新小学知识.pdf
10.00金币
0下载
二年级数学下册《重点难点思维题》两大问题解决技巧和方法巧算星期几解决周期问题还原问题强化思维训练老师精心整理家长可以打印出来给孩子练习#家长收藏孩子受益 #学霸秘籍 #思维训练 #二年级 #知识点总结.pdf
10.00金币
0下载
二年级数学下册 必背公式大全寒假提前背一背开学更轻松#二年级 #二年级数学 #二年级数学下册 #寒假充电计划 #公式.pdf
10.00金币
0下载
蜗牛文库+ 关注
实名认证
内容提供者

提供各种专业文档内容

确认删除?
QQ
  • QQ点击这里给我发消息
微信客服
  • 微信客服
回到顶部