电脑桌面
添加蜗牛文库到电脑桌面
安装后可以在桌面快捷访问

HJ 567-2010 环境标志产品技术要求 喷墨墨水.pdfVIP免费

HJ 567-2010 环境标志产品技术要求 喷墨墨水.pdf_第1页
HJ 567-2010 环境标志产品技术要求 喷墨墨水.pdf_第2页
HJ 567-2010 环境标志产品技术要求 喷墨墨水.pdf_第3页
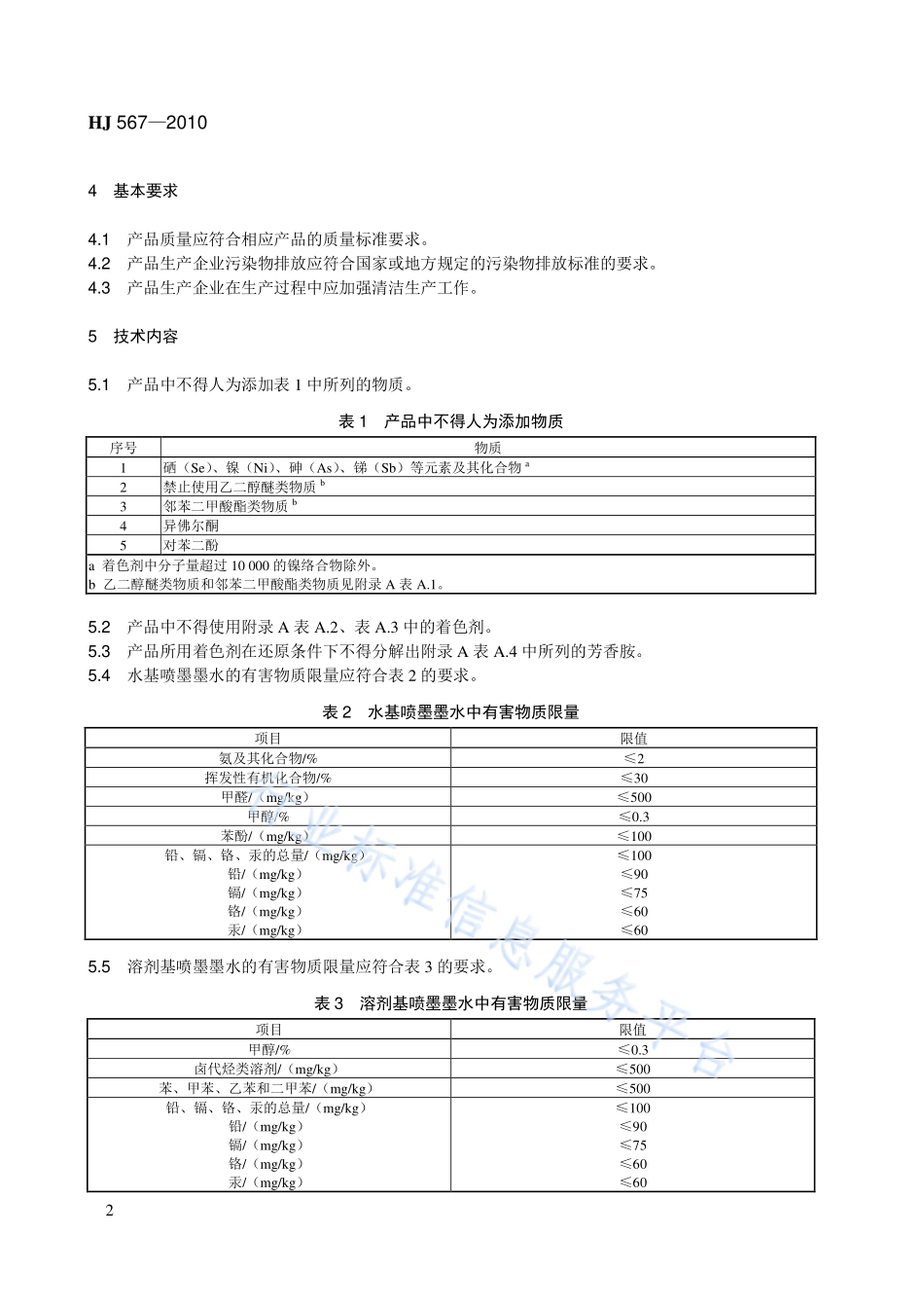
HJ567—20101环境标志产品技术要求喷墨墨水1适用范围本标准规定了喷墨墨水环境标志产品的术语和定义、基本要求、技术内容和检验方法。本标准适用于喷墨设备用墨水。本标准不适用于辐射固化喷墨墨水。2规范性引用文件本标准内容引用了下列文件中的条款。凡是不注日期的引用文件,其有效版本适用于本标准。GB16483化学品安全技术说明书内容和项目顺序GB18582—2008室内装饰装修材料内墙涂料中有害物质限量GB/T15962—2008油墨术语HJ/T201—2005环境标志产品技术要求水性涂料HJ/T370—2007环境标志产品技术要求胶印油墨HJ/T371—2007环境标志产品技术要求凹印油墨和柔印油墨3术语和定义下列术语和定义适用于本标准。3.1喷墨墨水inkforinkjetprinting指用着色剂、连结料、助剂等成分组成的分散体系,在喷墨过程中被转移到承印物上的着色物质。(GB/T15962—2008)3.2着色剂colorant指赋予喷墨墨水颜色的有色物质。(GB/T15962—2008)3.3水基喷墨墨水water-basedinkforinkjetprinting指以水为主要溶解或分散介质的喷墨墨水。3.4溶剂基喷墨墨水solvent-basedinkforinkjetprinting指以有机溶剂为溶解或分散介质的喷墨墨水。3.5挥发性有机化合物volatileorganiccompound,VOC指在101.3kPa压力下,任何初沸点低于或等于250℃的有机化合物。(HJ/T371—2007)HJ567—201024基本要求4.1产品质量应符合相应产品的质量标准要求。4.2产品生产企业污染物排放应符合国家或地方规定的污染物排放标准的要求。4.3产品生产企业在生产过程中应加强清洁生产工作。5技术内容5.1产品中不得人为添加表1中所列的物质。表1产品中不得人为添加物质序号物质1硒(Se)、镍(Ni)、砷(As)、锑(Sb)等元素及其化合物a2禁止使用乙二醇醚类物质b3邻苯二甲酸酯类物质b4异佛尔酮5对苯二酚a着色剂中分子量超过10000的镍络合物除外。b乙二醇醚类物质和邻苯二甲酸酯类物质见附录A表A.1。5.2产品中不得使用附录A表A.2、表A.3中的着色剂。5.3产品所用着色剂在还原条件下不得分解出附录A表A.4中所列的芳香胺。5.4水基喷墨墨水的有害物质限量应符合表2的要求。表2水基喷墨墨水中有害物质限量项目限值氨及其化合物/%≤2挥发性有机化合物/%≤30甲醛/(mg/kg)≤500甲醇/%≤0.3苯酚/(mg/kg)≤100铅、镉、铬、汞的总量/(mg/kg)铅/(mg/kg)镉/(mg/kg)铬/(mg/kg)汞/(mg/kg)≤100≤90≤75≤60≤605.5溶剂基喷墨墨水的有害物质限量应符合表3的要求。表3溶剂基喷墨墨水中有害物质限量项目...

1、当您付费下载文档后,您只拥有了使用权限,并不意味着购买了版权,文档只能用于自身使用,不得用于其他商业用途(如 [转卖]进行直接盈利或[编辑后售卖]进行间接盈利)。
2、本站所有内容均由合作方或网友上传,本站不对文档的完整性、权威性及其观点立场正确性做任何保证或承诺!文档内容仅供研究参考,付费前请自行鉴别。
3、如文档内容存在违规,或者侵犯商业秘密、侵犯著作权等,请点击“违规举报”。

碎片内容

蜗牛文库的最新文档

二年级数学下册其中检测卷二年级数学下册其中检测卷附答案#期中测试卷.pdf
10.00金币
0下载
二年级数学下册期末质检卷(苏教版)二年级数学下册期末质检卷(苏教版)#期末复习 #期末测试卷 #二年级数学 #二年级数学下册#关注我持续更新小学知识.pdf
10.00金币
0下载
二年级数学下册期末混合运算专项练习二年级数学下册期末混合运算专项练习#二年级#二年级数学下册#关注我持续更新小学知识 #知识分享 #家长收藏孩子受益.pdf
10.00金币
1下载
二年级数学下册年月日三类周期问题解题方法二年级数学下册年月日三类周期问题解题方法#二年级#二年级数学下册#知识分享 #关注我持续更新小学知识 #家长收藏孩子受益.pdf
10.00金币
0下载
二年级数学下册解决问题专项训练二年级数学下册解决问题专项训练#专项训练#解决问题#二年级#二年级数学下册#知识分享.pdf
10.00金币
1下载
二年级数学下册还原问题二年级数学下册还原问题#二年级#二年级数学#关注我持续更新小学知识 #知识分享 #家长收藏孩子受益.pdf
10.00金币
1下载
二年级数学下册第六单元考试卷家长打印出来给孩子测试测试争取拿到高分!#小学二年级试卷分享 #二年级第六单考试数学 #第六单考试#二年级数学下册.pdf
10.00金币
0下载
二年级数学下册必背顺口溜口诀汇总二年级数学下册必背顺口溜口诀汇总#二年级#二年级数学下册 #知识分享 #家长收藏孩子受益 #关注我持续更新小学知识.pdf
10.00金币
0下载
二年级数学下册《重点难点思维题》两大问题解决技巧和方法巧算星期几解决周期问题还原问题强化思维训练老师精心整理家长可以打印出来给孩子练习#家长收藏孩子受益 #学霸秘籍 #思维训练 #二年级 #知识点总结.pdf
10.00金币
0下载
二年级数学下册 必背公式大全寒假提前背一背开学更轻松#二年级 #二年级数学 #二年级数学下册 #寒假充电计划 #公式.pdf
10.00金币
0下载
蜗牛文库+ 关注
实名认证
内容提供者

提供各种专业文档内容

确认删除?
QQ
  • QQ点击这里给我发消息
微信客服
  • 微信客服
回到顶部