电脑桌面
添加蜗牛文库到电脑桌面
安装后可以在桌面快捷访问

HJ 560-2010 清洁生产标准 制革工业(羊革).pdfVIP免费

HJ 560-2010 清洁生产标准 制革工业(羊革).pdf_第1页
HJ 560-2010 清洁生产标准 制革工业(羊革).pdf_第2页
HJ 560-2010 清洁生产标准 制革工业(羊革).pdf_第3页
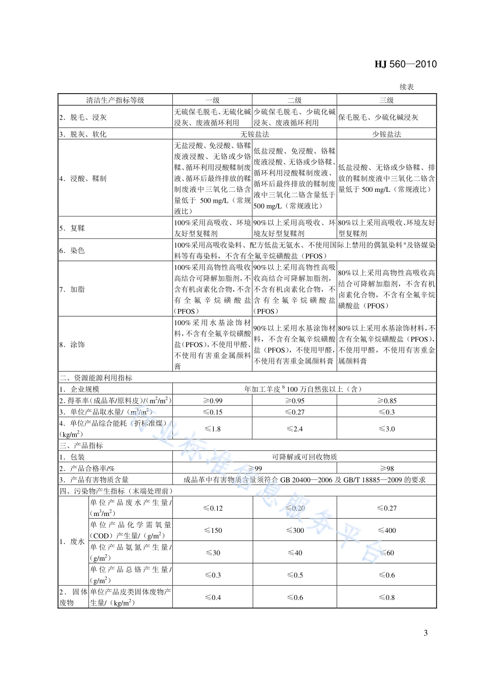
HJ560—20101清洁生产标准制革工业(羊革)1适用范围本标准适用于制革工业(羊革)生产企业清洁生产的一般要求。本标准将清洁生产指标分为六类,即生产工艺与装备要求、资源能源利用指标、产品指标、污染物产生指标(末端处理前)、废物回收利用指标和环境管理要求。本标准适用于制革工业(羊革)生产企业的清洁生产审核、清洁生产潜力与机会的判断,以及清洁生产绩效评定和清洁生产绩效公告制度,也适用于环境影响评价和排污许可证等环境管理制度。2规范性引用文件本标准内容引用了下列文件中的条款。凡是不注日期的引用文件,其有效版本适用于本标准。GB7466—87水质总铬的测定GB7478—87水质铵的测定蒸馏和滴定法GB7479—87水质铵的测定纳氏试剂比色法GB11914—89水质化学需氧量的测定重铬酸盐法GB14554—93恶臭污染物排放标准GB18597危险废物贮存污染控制标准GB18599一般工业固体废物贮存、处置场污染控制标准GB20400—2006皮革和毛皮有害物质限量GB/T2589综合能耗计算通则GB/T24001环境管理体系要求及使用指南GB/T18885—2009生态纺织品技术要求GB/T19942—2005皮革和毛皮化学试验禁用偶氮染料的测定HJ/T70—2001高氯废水化学需氧量的测定氯气校正法HJ/T83—2001水质可吸附有机卤素(AOX)的测定离子色谱法HJ/T92水污染物排放总量监测技术规范HJ/T132—2003高氯废水化学需氧量的测定碘化钾碱性高锰酸钾法HJ/T195—2005水质氨氮的测定气相分子吸收光谱法QB/T2720—2005皮革化学实验氧化铬(Cr2O3)的测定《污染源自动监控管理办法》(国家环境保护总局令第28号)《清洁生产审核暂行办法》(国家发展和改革委员会,国家环境保护总局令2004年第16号)3术语和定义3.1清洁生产cleanerproduction指不断采取改进设计、使用清洁的能源和原料、采用先进的工艺技术与设备、改善管理、综合利用等措施,从源头削减污染,提高资源利用效率,减少或者避免生产、服务和产品使用过程中污染物的产生和排放,以减轻或者消除对人类健康和环境的危害。3.2污染物产生指标(末端处理前)pollutantsgenerationindicators(beforeend-of-pipetreatment)即产污系数,指单位产品生产(或加工)过程中,产生污染物的量(末端处理前)。本标准主要是HJ560—20102水污染物产生指标和皮类固体废物产生指标。水污染物产生指标包括污水处理装置入口的污水量和污染物种类、单位产品污染物产生量或浓度。皮类固体废物产生指标是指制革加工全过程产生的皮类固体废物的总和,主要...

1、当您付费下载文档后,您只拥有了使用权限,并不意味着购买了版权,文档只能用于自身使用,不得用于其他商业用途(如 [转卖]进行直接盈利或[编辑后售卖]进行间接盈利)。
2、本站所有内容均由合作方或网友上传,本站不对文档的完整性、权威性及其观点立场正确性做任何保证或承诺!文档内容仅供研究参考,付费前请自行鉴别。
3、如文档内容存在违规,或者侵犯商业秘密、侵犯著作权等,请点击“违规举报”。

碎片内容

蜗牛文库的最新文档

二年级数学下册其中检测卷二年级数学下册其中检测卷附答案#期中测试卷.pdf
10.00金币
0下载
二年级数学下册期末质检卷(苏教版)二年级数学下册期末质检卷(苏教版)#期末复习 #期末测试卷 #二年级数学 #二年级数学下册#关注我持续更新小学知识.pdf
10.00金币
0下载
二年级数学下册期末混合运算专项练习二年级数学下册期末混合运算专项练习#二年级#二年级数学下册#关注我持续更新小学知识 #知识分享 #家长收藏孩子受益.pdf
10.00金币
1下载
二年级数学下册年月日三类周期问题解题方法二年级数学下册年月日三类周期问题解题方法#二年级#二年级数学下册#知识分享 #关注我持续更新小学知识 #家长收藏孩子受益.pdf
10.00金币
0下载
二年级数学下册解决问题专项训练二年级数学下册解决问题专项训练#专项训练#解决问题#二年级#二年级数学下册#知识分享.pdf
10.00金币
1下载
二年级数学下册还原问题二年级数学下册还原问题#二年级#二年级数学#关注我持续更新小学知识 #知识分享 #家长收藏孩子受益.pdf
10.00金币
1下载
二年级数学下册第六单元考试卷家长打印出来给孩子测试测试争取拿到高分!#小学二年级试卷分享 #二年级第六单考试数学 #第六单考试#二年级数学下册.pdf
10.00金币
0下载
二年级数学下册必背顺口溜口诀汇总二年级数学下册必背顺口溜口诀汇总#二年级#二年级数学下册 #知识分享 #家长收藏孩子受益 #关注我持续更新小学知识.pdf
10.00金币
0下载
二年级数学下册《重点难点思维题》两大问题解决技巧和方法巧算星期几解决周期问题还原问题强化思维训练老师精心整理家长可以打印出来给孩子练习#家长收藏孩子受益 #学霸秘籍 #思维训练 #二年级 #知识点总结.pdf
10.00金币
0下载
二年级数学下册 必背公式大全寒假提前背一背开学更轻松#二年级 #二年级数学 #二年级数学下册 #寒假充电计划 #公式.pdf
10.00金币
0下载
蜗牛文库+ 关注
实名认证
内容提供者

提供各种专业文档内容

确认删除?
QQ
  • QQ点击这里给我发消息
微信客服
  • 微信客服
回到顶部