电脑桌面
添加蜗牛文库到电脑桌面
安装后可以在桌面快捷访问

实验室安全检查表.docVIP免费

实验室安全检查表.doc_第1页
实验室安全检查表.doc_第2页
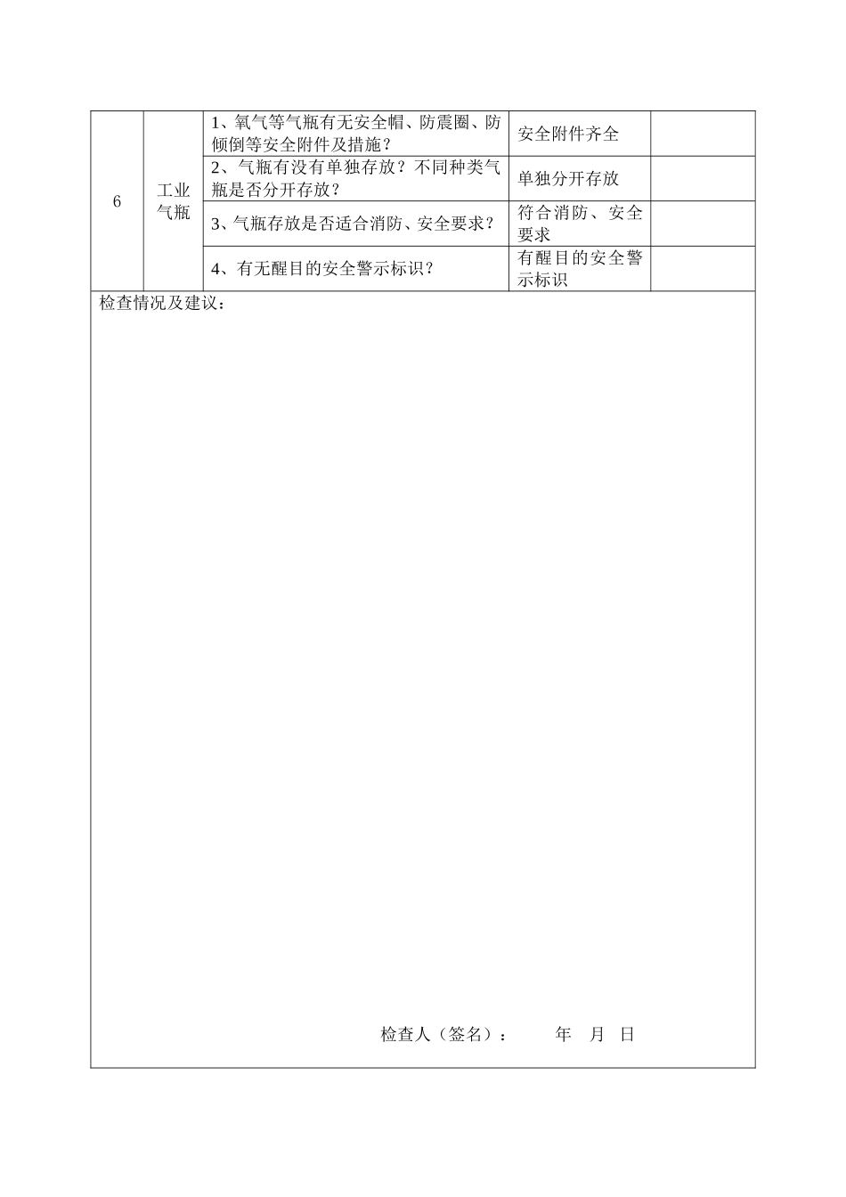
实验室安全检查表单位:检查人:年月日序号检查教育检查内容检查标准检查结果1安全教育对实验室人员有安全教育吗?定期安全教育培训2安全制度1、是否按规程操作仪器?操作人员熟悉操作规程2、大型精密仪器设备履历表填写了吗?履历表填写完整3防火措施1、易燃品保管是否妥善?有专人保管2、防火器材是否配备有效?按标准配备,有效安全、方便、道路畅道3、消防器材放置是否合适?消防器材配备合理4、使用电炉烧水、做饭吗?禁止用电炉于生活5、各种易燃气体是否有专人保管?要有专人保管6、易燃品处有否吸烟现象?严禁吸烟4仪器措施1、空调机使用安全?安装符合要求,有专人管理2、仪器设备有否漏电现象?设备无漏电现象3、仪器设备的开关、旋钮是否灵活?操作前检查试验要灵活、有效4、动力和照明电线是否有破损现象电线无破损5、电闸保险丝是否符合规格?要符合用电要求6、危险仪器是否有防护措施?要有防护装置7、电磁辐射的仪器有否屏蔽?要有屏蔽措施8、“三废”有否治理措施?有治理预防措施5环境1、实验室安全通道是否有堵塞?要求畅通无障碍2、实验室内仪器、材料、工具是否整齐?要摆放整齐3、有无漏水、漏气、漏油现象?无滴漏现象6工业气瓶1、氧气等气瓶有无安全帽、防震圈、防倾倒等安全附件及措施?安全附件齐全2、气瓶有没有单独存放?不同种类气瓶是否分开存放?单独分开存放3、气瓶存放是否适合消防、安全要求?符合消防、安全要求4、有无醒目的安全警示标识?有醒目的安全警示标识检查情况及建议:检查人(签名):年月日注:检查情况及建议,根据安全检查表所列检查内容填写

1、当您付费下载文档后,您只拥有了使用权限,并不意味着购买了版权,文档只能用于自身使用,不得用于其他商业用途(如 [转卖]进行直接盈利或[编辑后售卖]进行间接盈利)。
2、本站所有内容均由合作方或网友上传,本站不对文档的完整性、权威性及其观点立场正确性做任何保证或承诺!文档内容仅供研究参考,付费前请自行鉴别。
3、如文档内容存在违规,或者侵犯商业秘密、侵犯著作权等,请点击“违规举报”。

碎片内容

蜗牛文库的最新文档

二年级数学下册其中检测卷二年级数学下册其中检测卷附答案#期中测试卷.pdf
10.00金币
0下载
二年级数学下册期末质检卷(苏教版)二年级数学下册期末质检卷(苏教版)#期末复习 #期末测试卷 #二年级数学 #二年级数学下册#关注我持续更新小学知识.pdf
10.00金币
0下载
二年级数学下册期末混合运算专项练习二年级数学下册期末混合运算专项练习#二年级#二年级数学下册#关注我持续更新小学知识 #知识分享 #家长收藏孩子受益.pdf
10.00金币
1下载
二年级数学下册年月日三类周期问题解题方法二年级数学下册年月日三类周期问题解题方法#二年级#二年级数学下册#知识分享 #关注我持续更新小学知识 #家长收藏孩子受益.pdf
10.00金币
0下载
二年级数学下册解决问题专项训练二年级数学下册解决问题专项训练#专项训练#解决问题#二年级#二年级数学下册#知识分享.pdf
10.00金币
1下载
二年级数学下册还原问题二年级数学下册还原问题#二年级#二年级数学#关注我持续更新小学知识 #知识分享 #家长收藏孩子受益.pdf
10.00金币
1下载
二年级数学下册第六单元考试卷家长打印出来给孩子测试测试争取拿到高分!#小学二年级试卷分享 #二年级第六单考试数学 #第六单考试#二年级数学下册.pdf
10.00金币
0下载
二年级数学下册必背顺口溜口诀汇总二年级数学下册必背顺口溜口诀汇总#二年级#二年级数学下册 #知识分享 #家长收藏孩子受益 #关注我持续更新小学知识.pdf
10.00金币
0下载
二年级数学下册《重点难点思维题》两大问题解决技巧和方法巧算星期几解决周期问题还原问题强化思维训练老师精心整理家长可以打印出来给孩子练习#家长收藏孩子受益 #学霸秘籍 #思维训练 #二年级 #知识点总结.pdf
10.00金币
0下载
二年级数学下册 必背公式大全寒假提前背一背开学更轻松#二年级 #二年级数学 #二年级数学下册 #寒假充电计划 #公式.pdf
10.00金币
0下载
蜗牛文库+ 关注
实名认证
内容提供者

提供各种专业文档内容

确认删除?
QQ
  • QQ点击这里给我发消息
微信客服
  • 微信客服
回到顶部