电脑桌面
添加蜗牛文库到电脑桌面
安装后可以在桌面快捷访问

GB 3446-1993 消防水泵接合器.pdfVIP免费

GB 3446-1993 消防水泵接合器.pdf_第1页
GB 3446-1993 消防水泵接合器.pdf_第2页
GB 3446-1993 消防水泵接合器.pdf_第3页
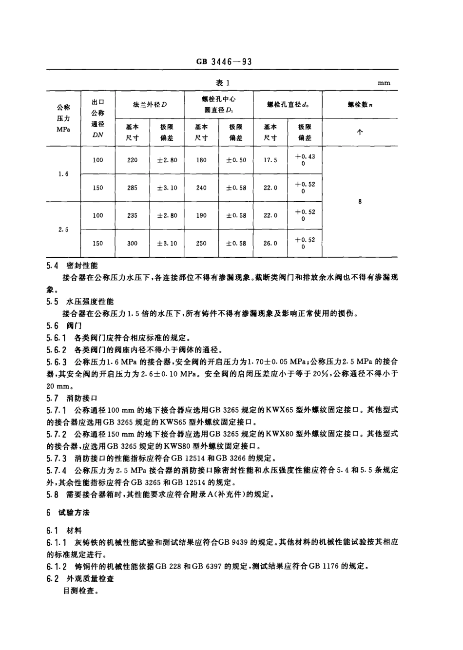
中华人民共和国国家标准GB3446一93消防水泵接合器ft*GB3446-82Siameseconnection1主题内容与适用范围本标准规定了消防水泵接合器的型式和规格、型号编制、技术要求、试验方法、检验规则及标志、包装。本标准适用于消防管道中的各种消防水泵接合器(以下简称接合器)。接合器是消防车和机动泵向建筑物内消防给水系统输送消防用水和其他液体灭火剂的连接器具。2引用标准GB228金属拉伸试验方法GB1176铸造铜合金技术条件GB3265内扣式消防接口型式和基本参数GB3266内扣式消防接口通用技术条件GB6397金属拉伸试验试样GB7307非螺纹密封的管螺纹GB9439灰铸铁件GB12514消防接口性能要求和试验方法3型式和规格3.1接合器的结构应具备排放余水、止回、安全排放、截断等功能。3.2接合器按其安装型式可分为地上式、地下式、墙壁式和多用式。3.3接合器按其出口的公称通径可分为100mm和150mm两种。3.4接合器的公称压力可分为1.6MPa和2.5MPa两种。4型号编制4.1接合器型号由下列单元组成:sQxxx一xx丁丁丁丁仁A*fjx4ti-!}!匕一公称压力代号{】L一一-出口公称通径尺寸代号!L—一安装型式代号匕~——一—消防水泵接合器(专用代号)国家技术监督局1993一09一24批准1994一06一01实施GB3446一93----------------4.1.1安装型式代号s—表示地上式;x—表示地下式;B—表示墙壁式;D—表示多用式。4.1.2出口公称通径尺寸代号100—表示公称通径为100mm;150—表示公称通径为150mm,4.1.3公称压力代号1.6—表示公称压力为1.6MPa;2.5—表示公称压力为2.5MPa,4.1.4连接形式代号法兰连接代号省略,螺纹连接用“w”表示。4.2标记示例:例1:地上消防水泵接合器,出口公称通径为150mm、法兰连接、公称压力为2.5MPa,SQS150-2.5例2:多用式消防水泵接合器,出口公称通径为100mm,螺纹连接、公称压力为1.6MPa,SQD100-1.6W5技术条件5.1材料5.1.1公称压力1.6MPa的接合器应选用符合GB9439规定的灰铸铁HT200或选用机械性能不低于HT20。的其他金属材料。5.1.2公称压力2.5MPa的接合器应选用符合GB9439规定的灰铸铁HT250或选用机械性能不低于HT250的其他金属材料。5.1.3接合器也可选用符合GB1176规定的铸造铜合金。5.2外观质量5.2.1接合器的铸铁件表面应光滑,除锈后上部外露部分应涂红色漆、漆膜色泽应均匀,无龟裂、无明显的划痕和碰伤.5.2.2接合器铸铜件表面应无严重的砂眼、气孔、渣孔、缩松、氧化夹渣、裂纹、冷隔和穿透性缺陷.5.3螺纹及法兰尺寸5.3.1接合器管螺...

1、当您付费下载文档后,您只拥有了使用权限,并不意味着购买了版权,文档只能用于自身使用,不得用于其他商业用途(如 [转卖]进行直接盈利或[编辑后售卖]进行间接盈利)。
2、本站所有内容均由合作方或网友上传,本站不对文档的完整性、权威性及其观点立场正确性做任何保证或承诺!文档内容仅供研究参考,付费前请自行鉴别。
3、如文档内容存在违规,或者侵犯商业秘密、侵犯著作权等,请点击“违规举报”。

碎片内容

蜗牛文库的最新文档

二年级数学下册其中检测卷二年级数学下册其中检测卷附答案#期中测试卷.pdf
10.00金币
0下载
二年级数学下册期末质检卷(苏教版)二年级数学下册期末质检卷(苏教版)#期末复习 #期末测试卷 #二年级数学 #二年级数学下册#关注我持续更新小学知识.pdf
10.00金币
0下载
二年级数学下册期末混合运算专项练习二年级数学下册期末混合运算专项练习#二年级#二年级数学下册#关注我持续更新小学知识 #知识分享 #家长收藏孩子受益.pdf
10.00金币
1下载
二年级数学下册年月日三类周期问题解题方法二年级数学下册年月日三类周期问题解题方法#二年级#二年级数学下册#知识分享 #关注我持续更新小学知识 #家长收藏孩子受益.pdf
10.00金币
0下载
二年级数学下册解决问题专项训练二年级数学下册解决问题专项训练#专项训练#解决问题#二年级#二年级数学下册#知识分享.pdf
10.00金币
1下载
二年级数学下册还原问题二年级数学下册还原问题#二年级#二年级数学#关注我持续更新小学知识 #知识分享 #家长收藏孩子受益.pdf
10.00金币
1下载
二年级数学下册第六单元考试卷家长打印出来给孩子测试测试争取拿到高分!#小学二年级试卷分享 #二年级第六单考试数学 #第六单考试#二年级数学下册.pdf
10.00金币
0下载
二年级数学下册必背顺口溜口诀汇总二年级数学下册必背顺口溜口诀汇总#二年级#二年级数学下册 #知识分享 #家长收藏孩子受益 #关注我持续更新小学知识.pdf
10.00金币
0下载
二年级数学下册《重点难点思维题》两大问题解决技巧和方法巧算星期几解决周期问题还原问题强化思维训练老师精心整理家长可以打印出来给孩子练习#家长收藏孩子受益 #学霸秘籍 #思维训练 #二年级 #知识点总结.pdf
10.00金币
0下载
二年级数学下册 必背公式大全寒假提前背一背开学更轻松#二年级 #二年级数学 #二年级数学下册 #寒假充电计划 #公式.pdf
10.00金币
0下载
蜗牛文库+ 关注
实名认证
内容提供者

提供各种专业文档内容

确认删除?
QQ
  • QQ点击这里给我发消息
微信客服
  • 微信客服
回到顶部