电脑桌面
添加蜗牛文库到电脑桌面
安装后可以在桌面快捷访问

变电设备红外热成像作业指导书.docVIP免费

变电设备红外热成像作业指导书.doc_第1页
变电设备红外热成像作业指导书.doc_第2页
变电设备红外热成像作业指导书.doc_第3页
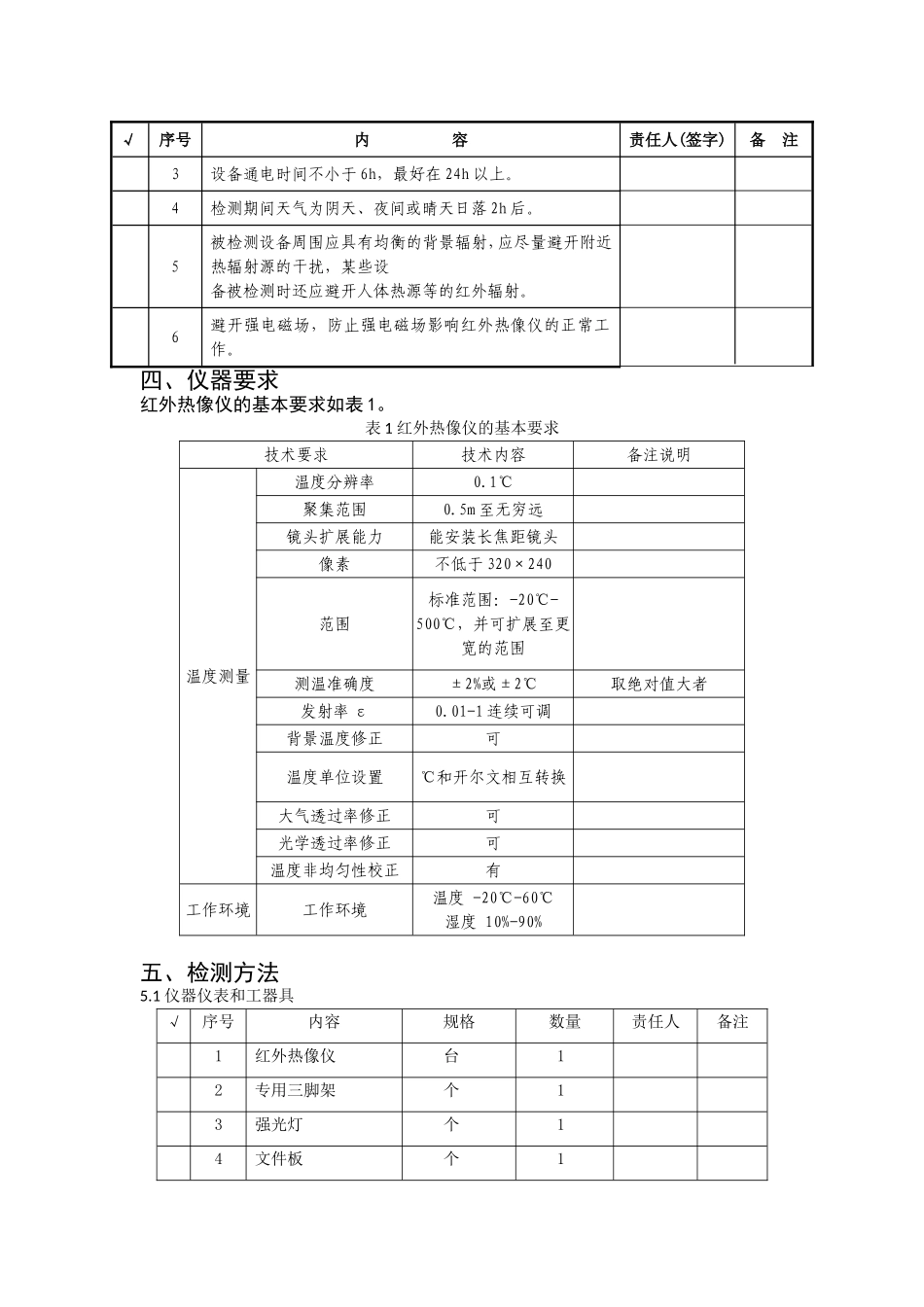
编变电设备红外热成像现场带电测试作业指导书编写:年月日审核:年月日批准:年_月_日作业负责人:作业日期:年月日时至年月日时一、适用范围本作业指导书适用于电力设备预防性试验的周期性项目中,使用红外热像仪进行的带电设备红外诊断工作,但不包括使用红外测温仪(点温仪)进行的工作。二、检测原理红外热成像探测目标物体自身发射的“热辐射”,将红外能量转换成电信号通过电子处理,最终转化为人眼可见的红外图象。三、技术要求3.1基本要求红外诊断是一项专业性很强的工作,若测试人员不认真负责或业务素质低,就会影响测试结果的准确性。红外检测人员要求熟悉诊断技术及检测仪的基本原理和诊断程序,熟悉被检测设备的结构特点、工作原理及导致设备故障的基本因素,熟悉相关应用标准等。3.2依据标准(1)DL/T664-2008《带电设备红外诊断技术应用导则》(2)GB/T11022-2001《高压开关设备和控制设备标准的共用技术要求》(3)Q/GDW1168—2013《输变电设备状态检修试验规程》3.3一般检测要求√序号内容责任人(签字)备注1被检设备是带电运行设备,应尽量避开视线中的封闭遮挡物,如门和盖板等。2环境温度一般不低于5℃,相对湿度一般不大于85%;天气以阴天、多云为宜,夜间图像质量为佳;不应在雷、雨、雾、雪等气象条件下进行,检测时风速一般不大于5m/s。3户外晴天要避开阳光直接照射或反射进入仪器镜头,在室内或晚上检测应避开灯光的直射,宜闭灯检测。4检测电流致热型设备,最好在高峰负荷下进行。否则,一般应在不低于30%的额定负荷下进行,同时应充分考虑小负荷电流对测试结果的影响。3.4精确检测要求√序号内容责任人(签字)备注1满足一般检测的环境要求。2风速一般不大于0.5m/s。√序号内容责任人(签字)备注3设备通电时间不小于6h,最好在24h以上。4检测期间天气为阴天、夜间或晴天日落2h后。5被检测设备周围应具有均衡的背景辐射,应尽量避开附近热辐射源的干扰,某些设备被检测时还应避开人体热源等的红外辐射。6避开强电磁场,防止强电磁场影响红外热像仪的正常工作。四、仪器要求红外热像仪的基本要求如表1。表1红外热像仪的基本要求技术要求技术内容备注说明温度测量温度分辨率0.1℃聚集范围0.5m至无穷远镜头扩展能力能安装长焦距镜头像素不低于320×240范围标准范围:-20℃-500℃,并可扩展至更宽的范围测温准确度±2%或±2℃取绝对值大者发射率ε0.01-1连续可调背景温度修正可温度单位设置℃和开尔文相互转换大气透过率修正可...

1、当您付费下载文档后,您只拥有了使用权限,并不意味着购买了版权,文档只能用于自身使用,不得用于其他商业用途(如 [转卖]进行直接盈利或[编辑后售卖]进行间接盈利)。
2、本站所有内容均由合作方或网友上传,本站不对文档的完整性、权威性及其观点立场正确性做任何保证或承诺!文档内容仅供研究参考,付费前请自行鉴别。
3、如文档内容存在违规,或者侵犯商业秘密、侵犯著作权等,请点击“违规举报”。

碎片内容

蜗牛文库的最新文档

二年级数学下册其中检测卷二年级数学下册其中检测卷附答案#期中测试卷.pdf
10.00金币
0下载
二年级数学下册期末质检卷(苏教版)二年级数学下册期末质检卷(苏教版)#期末复习 #期末测试卷 #二年级数学 #二年级数学下册#关注我持续更新小学知识.pdf
10.00金币
0下载
二年级数学下册期末混合运算专项练习二年级数学下册期末混合运算专项练习#二年级#二年级数学下册#关注我持续更新小学知识 #知识分享 #家长收藏孩子受益.pdf
10.00金币
1下载
二年级数学下册年月日三类周期问题解题方法二年级数学下册年月日三类周期问题解题方法#二年级#二年级数学下册#知识分享 #关注我持续更新小学知识 #家长收藏孩子受益.pdf
10.00金币
0下载
二年级数学下册解决问题专项训练二年级数学下册解决问题专项训练#专项训练#解决问题#二年级#二年级数学下册#知识分享.pdf
10.00金币
1下载
二年级数学下册还原问题二年级数学下册还原问题#二年级#二年级数学#关注我持续更新小学知识 #知识分享 #家长收藏孩子受益.pdf
10.00金币
1下载
二年级数学下册第六单元考试卷家长打印出来给孩子测试测试争取拿到高分!#小学二年级试卷分享 #二年级第六单考试数学 #第六单考试#二年级数学下册.pdf
10.00金币
0下载
二年级数学下册必背顺口溜口诀汇总二年级数学下册必背顺口溜口诀汇总#二年级#二年级数学下册 #知识分享 #家长收藏孩子受益 #关注我持续更新小学知识.pdf
10.00金币
0下载
二年级数学下册《重点难点思维题》两大问题解决技巧和方法巧算星期几解决周期问题还原问题强化思维训练老师精心整理家长可以打印出来给孩子练习#家长收藏孩子受益 #学霸秘籍 #思维训练 #二年级 #知识点总结.pdf
10.00金币
0下载
二年级数学下册 必背公式大全寒假提前背一背开学更轻松#二年级 #二年级数学 #二年级数学下册 #寒假充电计划 #公式.pdf
10.00金币
0下载
蜗牛文库+ 关注
实名认证
内容提供者

提供各种专业文档内容

确认删除?
QQ
  • QQ点击这里给我发消息
微信客服
  • 微信客服
回到顶部