电脑桌面
添加蜗牛文库到电脑桌面
安装后可以在桌面快捷访问

金属封闭开关设备超声波局部放电作业指导书.docVIP免费

金属封闭开关设备超声波局部放电作业指导书.doc_第1页
金属封闭开关设备超声波局部放电作业指导书.doc_第2页
金属封闭开关设备超声波局部放电作业指导书.doc_第3页
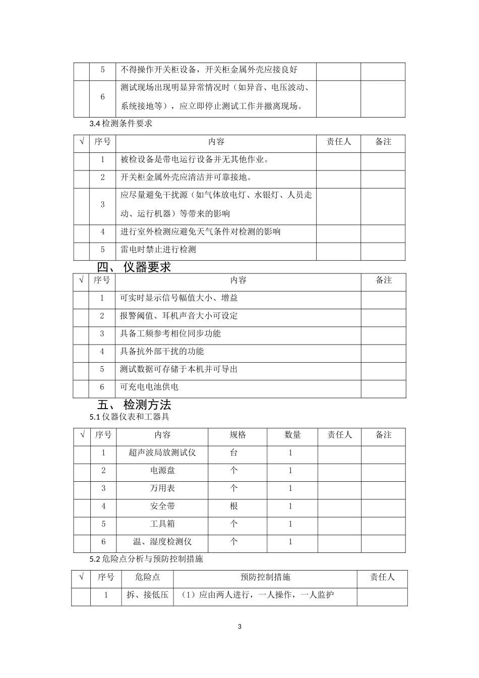
编金属封闭开关设备超声波局部放电现场带电测试作业指导书编写:年月日审核:年月日批准:年_月_日作业负责人:作业日期:年月日时至年月日时1一、适用范围本部分适用于3.6kV~40.5kV金属封闭式开关柜现场设备的超声波局部放电检测。二、检测原理开关柜的超声波局部放电检测法基本原理是通过敞开式或接触式超声波传感器对开关柜中发生局部放电时产生的超声波信号进行检测,从而获得局部放电的相关信息,实现局部放电检测。超声波局部放电检测法对开关柜内的悬浮电位放电、尖端放电、沿面放电及绝缘子表面放电检测较为敏感,而对绝缘内部放电检测不敏感。三、技术要求3.1引用标准序号内容1Q/GDW1799.1-2013国家电网公司电力安全工作规程变电部分2生变电[2010]11号电力设备带电检测技术规范(试行)3.2人员要求√序号内容责任人备注1精神状态良好,了解开关柜设备的结构、运行状况,超声波局部放电检测的基本原理、测点选取、诊断程序和缺陷定性的方法,熟悉本指导书。2具有一定的现场工作经验,熟悉并能严格遵守电力生产和工作现场的相关安全管理规定。3.3安全要求√序号内容责任人备注1应严格执行《国家电网公司电力安全工作规程(变电部分)》的相关要求。2检测至少由两人进行,并严格执行保证安全的组织措施和技术措施。3应有专人监护,监护人在检测期间应始终行使监护职责,不得擅离岗位或兼职其他工作。4应确保操作人员及测试仪器与电力设备的高压部分保持足够的安全距离。25不得操作开关柜设备,开关柜金属外壳应接良好6测试现场出现明显异常情况时(如异音、电压波动、系统接地等),应立即停止测试工作并撤离现场。3.4检测条件要求√序号内容责任人备注1被检设备是带电运行设备并无其他作业。2开关柜金属外壳应清洁并可靠接地。3应尽量避免干扰源(如气体放电灯、水银灯、人员走动、运行机器)等带来的影响4进行室外检测应避免天气条件对检测的影响5雷电时禁止进行检测四、仪器要求√序号内容备注1可实时显示信号幅值大小、增益2报警阈值、耳机声音大小可设定3具备工频参考相位同步功能4具备抗外部干扰的功能5测试数据可存储于本机并可导出6可充电电池供电五、检测方法5.1仪器仪表和工器具√序号内容规格数量责任人备注1超声波局放测试仪台12电源盘个13万用表个14安全带根15工具箱个16温、湿度检测仪个15.2危险点分析与预防控制措施√序号危险点预防控制措施责任人1拆、接低压(1)应由两人进行,一人操作,一人监护3电源2(2)试验电源应有...

1、当您付费下载文档后,您只拥有了使用权限,并不意味着购买了版权,文档只能用于自身使用,不得用于其他商业用途(如 [转卖]进行直接盈利或[编辑后售卖]进行间接盈利)。
2、本站所有内容均由合作方或网友上传,本站不对文档的完整性、权威性及其观点立场正确性做任何保证或承诺!文档内容仅供研究参考,付费前请自行鉴别。
3、如文档内容存在违规,或者侵犯商业秘密、侵犯著作权等,请点击“违规举报”。

碎片内容

蜗牛文库的最新文档

二年级数学下册其中检测卷二年级数学下册其中检测卷附答案#期中测试卷.pdf
10.00金币
0下载
二年级数学下册期末质检卷(苏教版)二年级数学下册期末质检卷(苏教版)#期末复习 #期末测试卷 #二年级数学 #二年级数学下册#关注我持续更新小学知识.pdf
10.00金币
0下载
二年级数学下册期末混合运算专项练习二年级数学下册期末混合运算专项练习#二年级#二年级数学下册#关注我持续更新小学知识 #知识分享 #家长收藏孩子受益.pdf
10.00金币
1下载
二年级数学下册年月日三类周期问题解题方法二年级数学下册年月日三类周期问题解题方法#二年级#二年级数学下册#知识分享 #关注我持续更新小学知识 #家长收藏孩子受益.pdf
10.00金币
0下载
二年级数学下册解决问题专项训练二年级数学下册解决问题专项训练#专项训练#解决问题#二年级#二年级数学下册#知识分享.pdf
10.00金币
1下载
二年级数学下册还原问题二年级数学下册还原问题#二年级#二年级数学#关注我持续更新小学知识 #知识分享 #家长收藏孩子受益.pdf
10.00金币
1下载
二年级数学下册第六单元考试卷家长打印出来给孩子测试测试争取拿到高分!#小学二年级试卷分享 #二年级第六单考试数学 #第六单考试#二年级数学下册.pdf
10.00金币
0下载
二年级数学下册必背顺口溜口诀汇总二年级数学下册必背顺口溜口诀汇总#二年级#二年级数学下册 #知识分享 #家长收藏孩子受益 #关注我持续更新小学知识.pdf
10.00金币
0下载
二年级数学下册《重点难点思维题》两大问题解决技巧和方法巧算星期几解决周期问题还原问题强化思维训练老师精心整理家长可以打印出来给孩子练习#家长收藏孩子受益 #学霸秘籍 #思维训练 #二年级 #知识点总结.pdf
10.00金币
0下载
二年级数学下册 必背公式大全寒假提前背一背开学更轻松#二年级 #二年级数学 #二年级数学下册 #寒假充电计划 #公式.pdf
10.00金币
0下载
蜗牛文库+ 关注
实名认证
内容提供者

提供各种专业文档内容

确认删除?
QQ
  • QQ点击这里给我发消息
微信客服
  • 微信客服
回到顶部