电脑桌面
添加蜗牛文库到电脑桌面
安装后可以在桌面快捷访问

WM_Removed_2-2F310000 (2)等级划分及特征水位、合理使用年限.pdfVIP免费

WM_Removed_2-2F310000 (2)等级划分及特征水位、合理使用年限.pdf_第1页
WM_Removed_2-2F310000 (2)等级划分及特征水位、合理使用年限.pdf_第2页
WM_Removed_2-2F310000 (2)等级划分及特征水位、合理使用年限.pdf_第3页
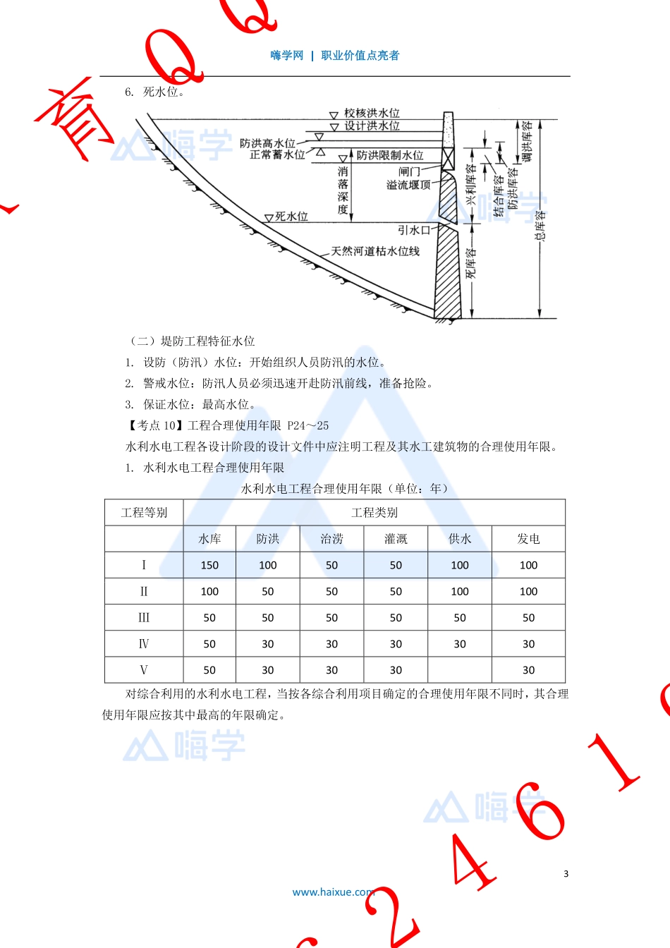
嗨学网|职业价值点亮者1www.haixue.com【考点8】水工建筑物等级划分P20~22一、水工建筑物等级划分(一)水利水电工程等级划分水利水电工程分等指标工程等别工程规模水库总库容/108m3防洪治涝灌溉供水发电保护人口/104人保护农田面积/104亩保护区当量经济规模/104人治涝面积/104亩灌溉面积/104亩供水对象重要性年引水量/108m3装机容量/MWⅠ大(1)型≥10≥150≥500≥300≥200≥150特别重要≥10≥1200Ⅱ大(2)型<10,≥1.0<150,≥50<500,≥100<300,≥100<200,≥60<150,≥50重要<10,≥3<1200,≥300Ⅲ中型<1.0,≥0.10<50,≥20<100,≥30<100,≥40<60,≥15<50,≥5比较重要<3,≥1<300,≥50Ⅳ小(1)型<0.1,≥0.01<20,≥5<30,≥5<40,≥10<15,≥3<5,≥0.5一般<1,≥0.3<50,≥10Ⅴ小(2)型<0.01,≥0.001<5<5<10<3<0.5<0.3<10(二)永久建筑物的级别划分1.永久性水工建筑物级别工程等别主要建筑物次要建筑物Ⅰ13Ⅱ2Ⅲ34Ⅳ45Ⅴ5水利枢纽工程水库大坝按上述规定为2级、3级的永久性水工建筑物,如坝高超过下表指标,其级别可提高一级,但洪水标准可不提高。水库大坝等级指标级别坝型坝高(m)2土石坝混凝土坝、浆砌石坝901303土石坝混凝土坝、浆砌石坝70100水库工程中最大高度超过200m的大坝建筑物,其级别应为1级,其设计标准应专门研究论证,并报上级主管部门审查批准。教育QQ6Q624619嗨学网|职业价值点亮者2www.haixue.com堤防工程的级别防洪标准(重现期,年)≥100<100,且≥50<50,且≥30<30,且≥20<20,且≥10堤防工程的级别12345穿越堤防、渠道的永久性水工建筑物的级别,不应低于相应堤防、渠道的级别。2.临时性水工建筑物级别临时性水工建筑物级别级别保护对象失事后果使用年限(年)临时性水工建筑物规模高度(m)库容(108m3)3有特殊要求的1级永久性水工建筑物淹没重要城镇、工矿企业、交通干线或推迟总工期及第一台(批)机组发电,推迟工程发挥效益,造成重大灾害和损失>3>50>1.041、2级永久性水工建筑物淹没一般城镇、工矿企业、交通干线或影响总工期及第一台(批)机组发电,推迟工程发挥效益,造成较大经济损失≤3,>1.5≤50,≥15≤1.0,≥0.153、4级永久性水工建筑物淹没基坑,但对总工期及第一台(批)机组发电影响不大,对工程发挥效益影响不大,经济损失较小<1.5<15<0.1二、围堰及水工大坝施工期洪水标准临时水工建筑物洪水标准(洪水重现期:年)建筑物结构类型临时性水工...

1、当您付费下载文档后,您只拥有了使用权限,并不意味着购买了版权,文档只能用于自身使用,不得用于其他商业用途(如 [转卖]进行直接盈利或[编辑后售卖]进行间接盈利)。
2、本站所有内容均由合作方或网友上传,本站不对文档的完整性、权威性及其观点立场正确性做任何保证或承诺!文档内容仅供研究参考,付费前请自行鉴别。
3、如文档内容存在违规,或者侵犯商业秘密、侵犯著作权等,请点击“违规举报”。

碎片内容

蜗牛文库的最新文档

二年级数学下册其中检测卷二年级数学下册其中检测卷附答案#期中测试卷.pdf
10.00金币
0下载
二年级数学下册期末质检卷(苏教版)二年级数学下册期末质检卷(苏教版)#期末复习 #期末测试卷 #二年级数学 #二年级数学下册#关注我持续更新小学知识.pdf
10.00金币
0下载
二年级数学下册期末混合运算专项练习二年级数学下册期末混合运算专项练习#二年级#二年级数学下册#关注我持续更新小学知识 #知识分享 #家长收藏孩子受益.pdf
10.00金币
1下载
二年级数学下册年月日三类周期问题解题方法二年级数学下册年月日三类周期问题解题方法#二年级#二年级数学下册#知识分享 #关注我持续更新小学知识 #家长收藏孩子受益.pdf
10.00金币
0下载
二年级数学下册解决问题专项训练二年级数学下册解决问题专项训练#专项训练#解决问题#二年级#二年级数学下册#知识分享.pdf
10.00金币
1下载
二年级数学下册还原问题二年级数学下册还原问题#二年级#二年级数学#关注我持续更新小学知识 #知识分享 #家长收藏孩子受益.pdf
10.00金币
1下载
二年级数学下册第六单元考试卷家长打印出来给孩子测试测试争取拿到高分!#小学二年级试卷分享 #二年级第六单考试数学 #第六单考试#二年级数学下册.pdf
10.00金币
0下载
二年级数学下册必背顺口溜口诀汇总二年级数学下册必背顺口溜口诀汇总#二年级#二年级数学下册 #知识分享 #家长收藏孩子受益 #关注我持续更新小学知识.pdf
10.00金币
0下载
二年级数学下册《重点难点思维题》两大问题解决技巧和方法巧算星期几解决周期问题还原问题强化思维训练老师精心整理家长可以打印出来给孩子练习#家长收藏孩子受益 #学霸秘籍 #思维训练 #二年级 #知识点总结.pdf
10.00金币
0下载
二年级数学下册 必背公式大全寒假提前背一背开学更轻松#二年级 #二年级数学 #二年级数学下册 #寒假充电计划 #公式.pdf
10.00金币
0下载
蜗牛文库+ 关注
实名认证
内容提供者

提供各种专业文档内容

确认删除?
QQ
  • QQ点击这里给我发消息
微信客服
  • 微信客服
回到顶部