电脑桌面
添加蜗牛文库到电脑桌面
安装后可以在桌面快捷访问

交流电桥 (3).docVIP免费

交流电桥 (3).doc_第1页
交流电桥 (3).doc_第2页
交流电桥 (3).doc_第3页
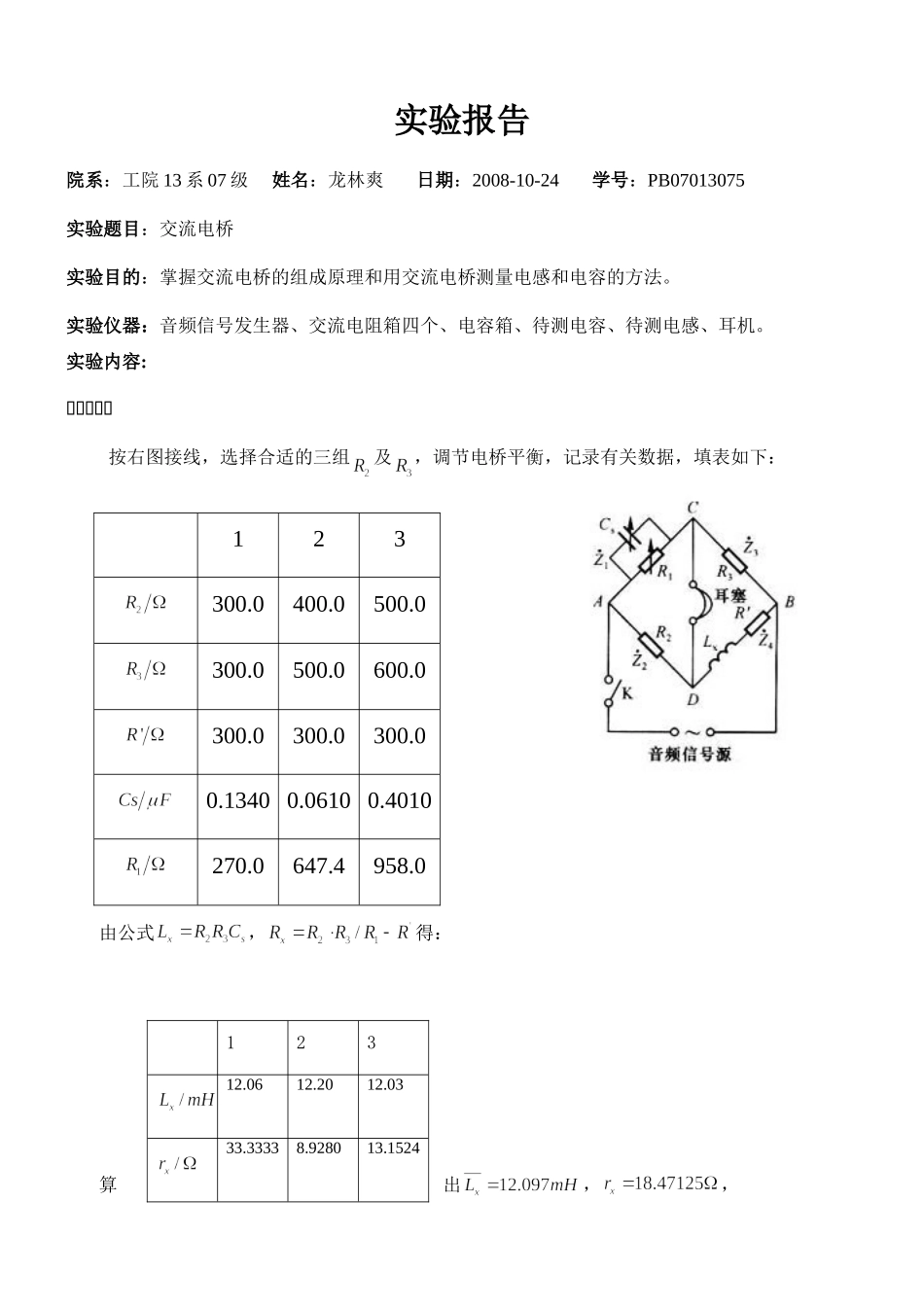
实验报告院系:工院13系07级姓名:龙林爽日期:2008-10-24学号:PB07013075实验题目:交流电桥实验目的:掌握交流电桥的组成原理和用交流电桥测量电感和电容的方法。实验仪器:音频信号发生器、交流电阻箱四个、电容箱、待测电容、待测电感、耳机。实验内容:一一一一一按右图接线,选择合适的三组及,调节电桥平衡,记录有关数据,填表如下:123300.0400.0500.0300.0500.0600.0300.0300.0300.00.13400.06100.4010270.0647.4958.0由公式,得:算出,,12312.0612.2012.0333.33338.928013.1524一一一一一按右图接线,选择合适的三组及,调节电桥平衡,记录有关数据,填表如下:123300.0400.0500.0300.0400.0500.00.61410.61480.61530.70.70.7由公式,得:1230.61410.61480.61530.700.700.70算出,,三一一一一一一一一一一一一一一一一一一一一一一一一一一一一一一一一一一一一一一一一一大体来说,用交流电桥测量电感和电容是比较准确的。测量时,一定要先根据公式估算相应的物理量,不然盲目调整会浪费大量时间。在估算值的基础上,根据耳机音量大小,从高位开始调整。若某调整某一位时,往两边调声音都增大,便可认为这一位的调整结束,可进行下一位调整了。此外再调整时,由于相互之间影响较大,并且长期将耳机放在耳边容易造成幻听现象,为提高准确性,建议听一会休息一会。在选取不变量时,也要注意选取的多样性。比如第二步时,最好不要象本实验那样比例全部选取1:1,应该变换比例,以提高准确性。思考题1、利用书上的图测量的相关公式是什么?此电路在调平衡时是否方便?为什么?答:图1中:调节不方便,因为无法由公式估计一些待调量,使调节十分麻烦。图2中,调节不方便,引入了交流电压角频率后,无法测量。3、Q值的物理意义是什么?答:Q值是电感的品质因数,它是电感在电路中储存的能量与它损耗的能量的比值。电感的损耗电阻越小,其品质因数Q就越大,表明该电感效率越高。

1、当您付费下载文档后,您只拥有了使用权限,并不意味着购买了版权,文档只能用于自身使用,不得用于其他商业用途(如 [转卖]进行直接盈利或[编辑后售卖]进行间接盈利)。
2、本站所有内容均由合作方或网友上传,本站不对文档的完整性、权威性及其观点立场正确性做任何保证或承诺!文档内容仅供研究参考,付费前请自行鉴别。
3、如文档内容存在违规,或者侵犯商业秘密、侵犯著作权等,请点击“违规举报”。

碎片内容

蜗牛文库的最新文档

二年级数学下册其中检测卷二年级数学下册其中检测卷附答案#期中测试卷.pdf
10.00金币
0下载
二年级数学下册期末质检卷(苏教版)二年级数学下册期末质检卷(苏教版)#期末复习 #期末测试卷 #二年级数学 #二年级数学下册#关注我持续更新小学知识.pdf
10.00金币
0下载
二年级数学下册期末混合运算专项练习二年级数学下册期末混合运算专项练习#二年级#二年级数学下册#关注我持续更新小学知识 #知识分享 #家长收藏孩子受益.pdf
10.00金币
1下载
二年级数学下册年月日三类周期问题解题方法二年级数学下册年月日三类周期问题解题方法#二年级#二年级数学下册#知识分享 #关注我持续更新小学知识 #家长收藏孩子受益.pdf
10.00金币
0下载
二年级数学下册解决问题专项训练二年级数学下册解决问题专项训练#专项训练#解决问题#二年级#二年级数学下册#知识分享.pdf
10.00金币
1下载
二年级数学下册还原问题二年级数学下册还原问题#二年级#二年级数学#关注我持续更新小学知识 #知识分享 #家长收藏孩子受益.pdf
10.00金币
1下载
二年级数学下册第六单元考试卷家长打印出来给孩子测试测试争取拿到高分!#小学二年级试卷分享 #二年级第六单考试数学 #第六单考试#二年级数学下册.pdf
10.00金币
0下载
二年级数学下册必背顺口溜口诀汇总二年级数学下册必背顺口溜口诀汇总#二年级#二年级数学下册 #知识分享 #家长收藏孩子受益 #关注我持续更新小学知识.pdf
10.00金币
0下载
二年级数学下册《重点难点思维题》两大问题解决技巧和方法巧算星期几解决周期问题还原问题强化思维训练老师精心整理家长可以打印出来给孩子练习#家长收藏孩子受益 #学霸秘籍 #思维训练 #二年级 #知识点总结.pdf
10.00金币
0下载
二年级数学下册 必背公式大全寒假提前背一背开学更轻松#二年级 #二年级数学 #二年级数学下册 #寒假充电计划 #公式.pdf
10.00金币
0下载
蜗牛文库+ 关注
实名认证
内容提供者

提供各种专业文档内容

确认删除?
QQ
  • QQ点击这里给我发消息
微信客服
  • 微信客服
回到顶部