电脑桌面
添加蜗牛文库到电脑桌面
安装后可以在桌面快捷访问

管流、明渠流及渗流.docVIP免费

管流、明渠流及渗流.doc_第1页
管流、明渠流及渗流.doc_第2页
管流、明渠流及渗流.doc_第3页
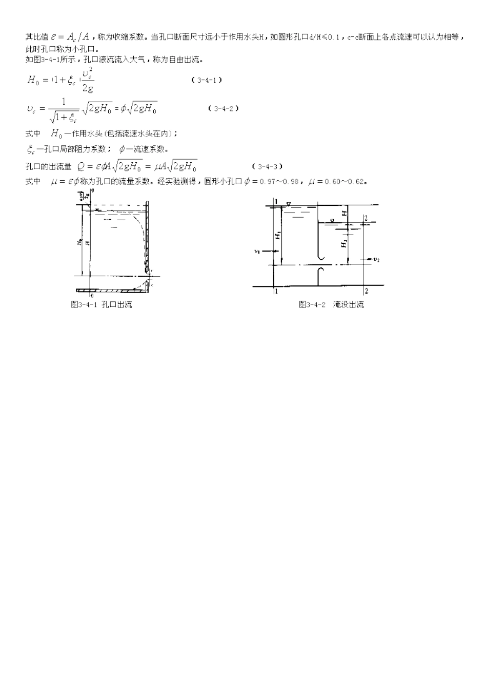
流体力学第四讲管流、明渠流及渗流【内容提要】孔口自由、淹没出流,管嘴出流,收缩断面,流量系数,短管水力计算及特例,串联、并联长管水力计算。明渠均匀流产生的必要条件及均匀流特性,谢才公式、满宁公式,明渠均匀流水力计算,最佳水力断面设计。渗流模型,渗透系数,达西定律,裘布依假设,潜水井计算公式。【重点、难点】孔口自由、淹没出流,管嘴出流;达西定律,裘布依假设,潜水井等计算【内容讲解】一、孔口、管嘴出流、有压管道恒定流1、薄壁小孔口恒定出流流体经孔口流出称为孔口出流。如图3-4-1。当容器中水位(或压强)不变,孔口的出流量恒定时,称为恒定出流。当容器壁比较薄,或孔口具有锐缘时,孔口的壁厚对出流没有干扰作用,称为薄壁孔口。流体从容器的四面八方流向孔口,流线成光滑曲线向孔口集中,在孔口断面上流线不相平行,继续收缩至距孔口断面d/2(d为孔口直径)处流线才趋于平行,此断面称为收缩断面,即图3-4-1中断面c-c。收缩断面的面积A,小于孔口面积A,3、有压管道恒定流液体充满整个管道断面,管壁处处受到液流的压强作用,此压强一般不等于大气压强,这种流动称有压管流。当管流中各运动要素均不随时间变化,则称为有压管道恒定流。其中也包括了不考虑压缩性的气体在管道中的恒定流动。有压管道恒定流的水力计算主要是确定管道中通过的流量;确定相应的水头;确定某断面的压强或压强沿管线的变化。根据布置不同,可分为简单管道,串并联管道。(三)并联管道二、明渠恒定均匀流天然河道和输水渠、排水沟、无压涵洞等人工渠道以及不满流管道中的水流称为明渠水流。它们都具有自由表面,表面上各点压强一般都等于大气压强,相对压强为零。所以明渠水流又称为无压流动。与有压管流是不同的。明渠水流的运动要素不随时间变化的称为明渠恒定流;沿流线不变化的称为明渠均匀流,反之则称为明渠非恒定流和非均匀流。明渠水流在渠道中流动,受到渠道横断面和渠道底坡的制约。渠道横断面的形状、尺寸沿程不变的称为棱柱形渠道,棱柱形渠道中水流的过水断面的大小只随水深变化。横断面的形状或尺寸沿程有改变的则称为非棱柱形渠道。渠道底部高程沿水流方向的变化用底坡表示。如图3-4-6()所示:1、明渠均匀流的形成条件和水力特征形成明渠均匀流的条件:长而直的棱柱形渠道;底坡i>0,且保持不变;渠道的粗糙情况沿程没有变化;渠中水流为恒定流,且沿程流量不变。只有满足以下全部条件,才会形成明渠均匀流。明渠均匀流流线为平...

1、当您付费下载文档后,您只拥有了使用权限,并不意味着购买了版权,文档只能用于自身使用,不得用于其他商业用途(如 [转卖]进行直接盈利或[编辑后售卖]进行间接盈利)。
2、本站所有内容均由合作方或网友上传,本站不对文档的完整性、权威性及其观点立场正确性做任何保证或承诺!文档内容仅供研究参考,付费前请自行鉴别。
3、如文档内容存在违规,或者侵犯商业秘密、侵犯著作权等,请点击“违规举报”。

碎片内容

蜗牛文库的最新文档

二年级数学下册其中检测卷二年级数学下册其中检测卷附答案#期中测试卷.pdf
10.00金币
0下载
二年级数学下册期末质检卷(苏教版)二年级数学下册期末质检卷(苏教版)#期末复习 #期末测试卷 #二年级数学 #二年级数学下册#关注我持续更新小学知识.pdf
10.00金币
0下载
二年级数学下册期末混合运算专项练习二年级数学下册期末混合运算专项练习#二年级#二年级数学下册#关注我持续更新小学知识 #知识分享 #家长收藏孩子受益.pdf
10.00金币
1下载
二年级数学下册年月日三类周期问题解题方法二年级数学下册年月日三类周期问题解题方法#二年级#二年级数学下册#知识分享 #关注我持续更新小学知识 #家长收藏孩子受益.pdf
10.00金币
0下载
二年级数学下册解决问题专项训练二年级数学下册解决问题专项训练#专项训练#解决问题#二年级#二年级数学下册#知识分享.pdf
10.00金币
1下载
二年级数学下册还原问题二年级数学下册还原问题#二年级#二年级数学#关注我持续更新小学知识 #知识分享 #家长收藏孩子受益.pdf
10.00金币
1下载
二年级数学下册第六单元考试卷家长打印出来给孩子测试测试争取拿到高分!#小学二年级试卷分享 #二年级第六单考试数学 #第六单考试#二年级数学下册.pdf
10.00金币
0下载
二年级数学下册必背顺口溜口诀汇总二年级数学下册必背顺口溜口诀汇总#二年级#二年级数学下册 #知识分享 #家长收藏孩子受益 #关注我持续更新小学知识.pdf
10.00金币
0下载
二年级数学下册《重点难点思维题》两大问题解决技巧和方法巧算星期几解决周期问题还原问题强化思维训练老师精心整理家长可以打印出来给孩子练习#家长收藏孩子受益 #学霸秘籍 #思维训练 #二年级 #知识点总结.pdf
10.00金币
0下载
二年级数学下册 必背公式大全寒假提前背一背开学更轻松#二年级 #二年级数学 #二年级数学下册 #寒假充电计划 #公式.pdf
10.00金币
0下载
蜗牛文库+ 关注
实名认证
内容提供者

提供各种专业文档内容

确认删除?
QQ
  • QQ点击这里给我发消息
微信客服
  • 微信客服
回到顶部