电脑桌面
添加蜗牛文库到电脑桌面
安装后可以在桌面快捷访问

生产制造企业流程大全.docxVIP免费

生产制造企业流程大全.docx_第1页
生产制造企业流程大全.docx_第2页
生产制造企业流程大全.docx_第3页
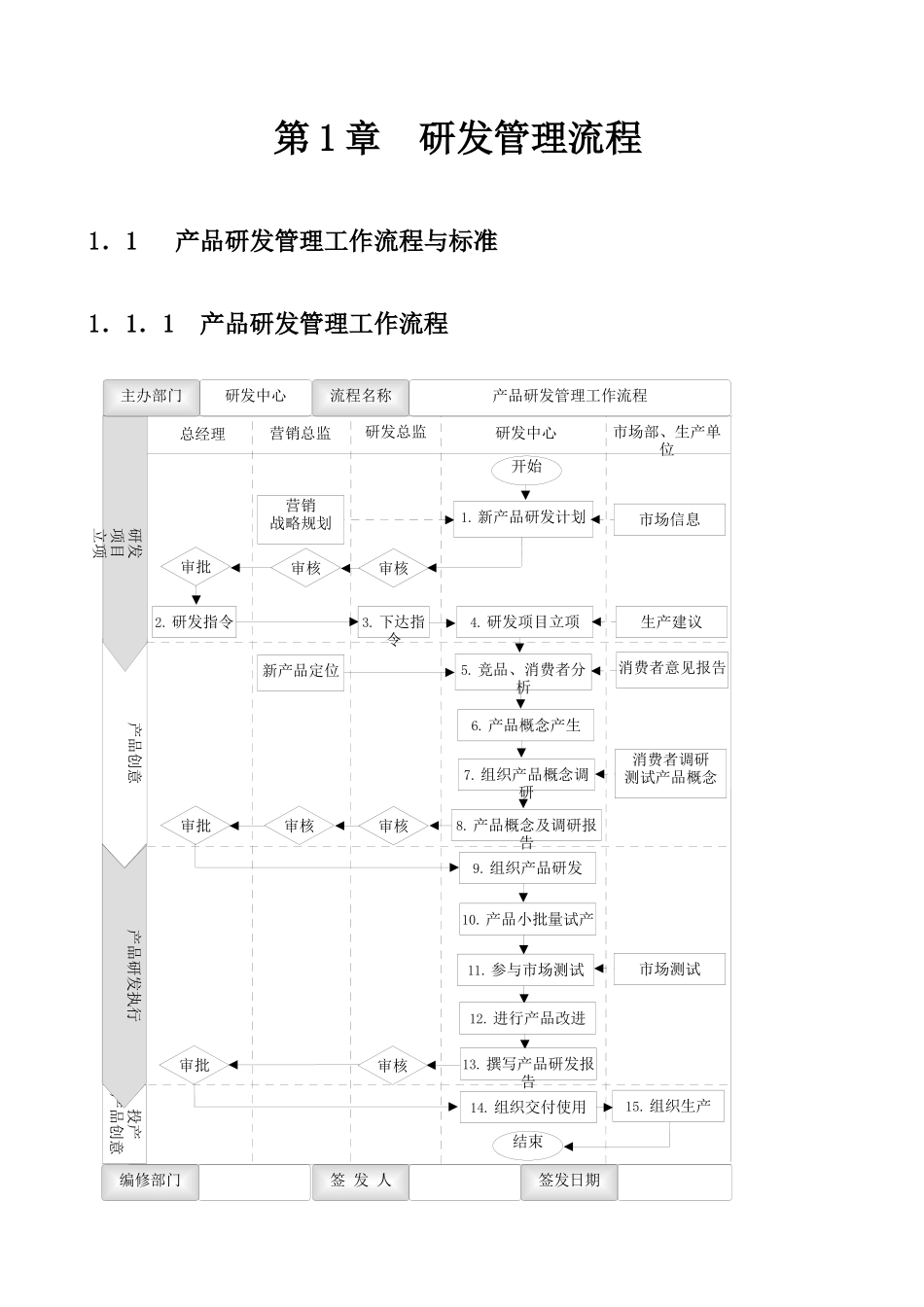
投产产品创意产品研发执行产品创意研发项目立项总经理营销总监研发总监主办部门研发中心流程名称产品研发管理工作流程编修部门签发人签发日期研发中心开始市场测试新产品定位6.产品概念产生消费者调研测试产品概念消费者意见报告7.组织产品概念调研审批审核5.竞品、消费者分析9.组织产品研发10.产品小批量试产11.参与市场测试审核12.进行产品改进审批2.研发指令4.研发项目立项生产建议15.组织生产结束审核营销战略规划1.新产品研发计划审批市场信息14.组织交付使用审核审核8.产品概念及调研报告13.撰写产品研发报告3.下达指令市场部、生产单位第1章研发管理流程1.1产品研发管理工作流程与标准1.1.1产品研发管理工作流程1.1.2产品研发管理工作标准研发项目立项1☆研发中心经理根据营销总监制定的营销战略规划和市场部提供的市场信息,制订新产品研发计划◇企业营销战略规划◇企业产品研发制度◇企业产品研发立项制度2☆总经理向研发中心下达产品研发指令3☆研发总监接到总经理指令后,向研发中心和相关部门下达研发指令4☆研发中心经理接到研发指令后,组织研发中心的相关人员讨论立项事宜产品创意5☆市场部围绕新产品开发对消费者展开调查,提供消费者意见调查报告,营销总监提供新产品定位方案◇企业产品研发制度◇产品研发计划◇产品调查信息表6☆研发中心经理根据上述资料,组织研发人员进行竞品、消费者的分析,并负责制定产品概念的初步方案7☆研发中心经理和市场部经理组织相关人员开展初步产品概念的调研和测试,必要时可申请市场调研公司协助☆研发中心经理根据调查结果修正产品概念,并提交产品概念方案及调查测试的报告8☆研发中心总监和营销总监分别审核产品概念方案及调查测试报告,经修改后报总经理审批产品研发执行9☆产品方案通过后,研发中心经理组织研发人员进行产品研发,确定所研发项目的各项具体要求,如材料要求、工艺技术、工序安排和配件选择等◇企业产品研发制度◇企业产品小试与改进制度◇产品调研信息表10☆产品初步研发完成后,随即进行小批量试生产11☆将小批量试生产出来的产品交与市场部进行市场测试12☆分析市场测试的结果,根据市场反馈对新产品进行改进13☆研发中心经理汇总、整理所有的研发资料,撰写新产品研发报告,分别提交研发中心总监和总经理审核、审批投产14☆技术总监、总经理及相关委员会对研发项目进行验收◇项目验收报告◇产品说明书等技术资15☆验收合格后,研发中心组织该项目交付生产,同时...

1、当您付费下载文档后,您只拥有了使用权限,并不意味着购买了版权,文档只能用于自身使用,不得用于其他商业用途(如 [转卖]进行直接盈利或[编辑后售卖]进行间接盈利)。
2、本站所有内容均由合作方或网友上传,本站不对文档的完整性、权威性及其观点立场正确性做任何保证或承诺!文档内容仅供研究参考,付费前请自行鉴别。
3、如文档内容存在违规,或者侵犯商业秘密、侵犯著作权等,请点击“违规举报”。

碎片内容

蜗牛文库的最新文档

二年级数学下册其中检测卷二年级数学下册其中检测卷附答案#期中测试卷.pdf
10.00金币
0下载
二年级数学下册期末质检卷(苏教版)二年级数学下册期末质检卷(苏教版)#期末复习 #期末测试卷 #二年级数学 #二年级数学下册#关注我持续更新小学知识.pdf
10.00金币
0下载
二年级数学下册期末混合运算专项练习二年级数学下册期末混合运算专项练习#二年级#二年级数学下册#关注我持续更新小学知识 #知识分享 #家长收藏孩子受益.pdf
10.00金币
1下载
二年级数学下册年月日三类周期问题解题方法二年级数学下册年月日三类周期问题解题方法#二年级#二年级数学下册#知识分享 #关注我持续更新小学知识 #家长收藏孩子受益.pdf
10.00金币
0下载
二年级数学下册解决问题专项训练二年级数学下册解决问题专项训练#专项训练#解决问题#二年级#二年级数学下册#知识分享.pdf
10.00金币
1下载
二年级数学下册还原问题二年级数学下册还原问题#二年级#二年级数学#关注我持续更新小学知识 #知识分享 #家长收藏孩子受益.pdf
10.00金币
1下载
二年级数学下册第六单元考试卷家长打印出来给孩子测试测试争取拿到高分!#小学二年级试卷分享 #二年级第六单考试数学 #第六单考试#二年级数学下册.pdf
10.00金币
0下载
二年级数学下册必背顺口溜口诀汇总二年级数学下册必背顺口溜口诀汇总#二年级#二年级数学下册 #知识分享 #家长收藏孩子受益 #关注我持续更新小学知识.pdf
10.00金币
0下载
二年级数学下册《重点难点思维题》两大问题解决技巧和方法巧算星期几解决周期问题还原问题强化思维训练老师精心整理家长可以打印出来给孩子练习#家长收藏孩子受益 #学霸秘籍 #思维训练 #二年级 #知识点总结.pdf
10.00金币
0下载
二年级数学下册 必背公式大全寒假提前背一背开学更轻松#二年级 #二年级数学 #二年级数学下册 #寒假充电计划 #公式.pdf
10.00金币
0下载
蜗牛文库+ 关注
实名认证
内容提供者

提供各种专业文档内容

确认删除?
QQ
  • QQ点击这里给我发消息
微信客服
  • 微信客服
回到顶部