电脑桌面
添加蜗牛文库到电脑桌面
安装后可以在桌面快捷访问

蜂窝煤成型机任务书.docVIP免费

蜂窝煤成型机任务书.doc_第1页
蜂窝煤成型机任务书.doc_第2页
蜂窝煤成型机任务书.doc_第3页
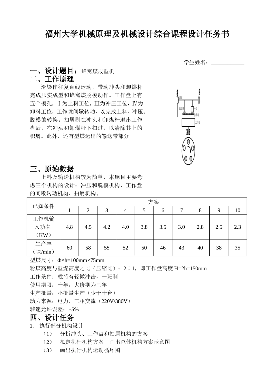
福州大学机械原理及机械设计综合课程设计任务书学生姓名:____________一、设计题目:蜂窝煤成型机二、工作原理滑梁作往复直线运动,带动冲头和卸煤杆完成压实成型和蜂窝煤脱模动作。工作盘上有五个模孔,Ⅰ为上料工位,Ⅲ为冲压工位,Ⅳ为卸料工位,工作盘间歇转动,以完成上料、冲压、脱模的转换。扫屑刷在冲头和卸煤杆退出工作盘后,在冲头和卸煤杆下扫过,以清除其上的积屑。此外,还有型煤运出的输送带部分。三、原始数据上料及输送机构较为简单,本题目主要考虑三个机构的设计:冲压和脱模机构、工作盘的间歇转动机构、扫屑机构。已知条件方案12345678910工作机输入功率(KW)4.84.54.24.03.83.53.02.82.52.3生产率(块/min)60585552504643403835型煤尺寸:Φ×h=100mm×75mm粉煤高度与型煤高度之比(压缩比):2∶1,即工作盘高度H=2h=150mm工作条件:载荷有轻微冲击,一班制使用期限:十年,大修期为三年生产批量:小批量生产(少于十台)动力来源:电力,三相交流(220V/380V)转速允许误差:±5%四、设计任务1.执行部分机构设计(1)分析冲头、工作盘和扫屑机构的方案(2)拟定执行机构方案,画出总体机构方案示意图(3)画出执行机构运动循环图(4)执行机构尺寸设计,画出总体机构方案图,并标明主要尺寸(5)画出执行机构运动简图(6)对执行机构进行运动分析2.传动装置设计(1)选择电动机(2)计算总传动比,并分配传动比(3)计算各轴的运动和动力参数(4)传动件的设计计算(5)选择联轴器(6)轴的结构设计(7)绘制减速器装配图(8)轴的强度校核(9)滚动轴承的选择、寿命计算和组合设计(10)键的选择和强度计算(11)绘制轴、齿轮零件图3.编写课程设计说明书五、设计完成工作量1.执行机构方案图及机构运动简图一张(A2)2.机构运动分析程序及结果3.减速器装配图草图一张(手画,A0)4.减速器装配图一张(A0)5.零件图两张(A2)6.课程设计说明书一份六、设计进度1.执行部分机构设计(1.5周)2.传动装置设计(2周)3.编写课程设计说明书(2天)4.考核、答辩(1天)七、设计说明书包括的主要内容1.目录2.设计题目3.工作原理4.原始数据5.执行部分机构方案设计(1)分析冲头、工作盘和扫屑机构的方案(2)拟定执行机构方案(3)执行机构运动循环图6.初定电机转速及传动装置方案7.执行机构尺寸设计及运动分析8.传动装置总体设计(1)选择电动机(2)计算总传动比,并分配传动比(3)计算各轴的运动和动力参...

1、当您付费下载文档后,您只拥有了使用权限,并不意味着购买了版权,文档只能用于自身使用,不得用于其他商业用途(如 [转卖]进行直接盈利或[编辑后售卖]进行间接盈利)。
2、本站所有内容均由合作方或网友上传,本站不对文档的完整性、权威性及其观点立场正确性做任何保证或承诺!文档内容仅供研究参考,付费前请自行鉴别。
3、如文档内容存在违规,或者侵犯商业秘密、侵犯著作权等,请点击“违规举报”。

碎片内容

蜗牛文库的最新文档

二年级数学下册其中检测卷二年级数学下册其中检测卷附答案#期中测试卷.pdf
10.00金币
0下载
二年级数学下册期末质检卷(苏教版)二年级数学下册期末质检卷(苏教版)#期末复习 #期末测试卷 #二年级数学 #二年级数学下册#关注我持续更新小学知识.pdf
10.00金币
0下载
二年级数学下册期末混合运算专项练习二年级数学下册期末混合运算专项练习#二年级#二年级数学下册#关注我持续更新小学知识 #知识分享 #家长收藏孩子受益.pdf
10.00金币
1下载
二年级数学下册年月日三类周期问题解题方法二年级数学下册年月日三类周期问题解题方法#二年级#二年级数学下册#知识分享 #关注我持续更新小学知识 #家长收藏孩子受益.pdf
10.00金币
0下载
二年级数学下册解决问题专项训练二年级数学下册解决问题专项训练#专项训练#解决问题#二年级#二年级数学下册#知识分享.pdf
10.00金币
1下载
二年级数学下册还原问题二年级数学下册还原问题#二年级#二年级数学#关注我持续更新小学知识 #知识分享 #家长收藏孩子受益.pdf
10.00金币
1下载
二年级数学下册第六单元考试卷家长打印出来给孩子测试测试争取拿到高分!#小学二年级试卷分享 #二年级第六单考试数学 #第六单考试#二年级数学下册.pdf
10.00金币
0下载
二年级数学下册必背顺口溜口诀汇总二年级数学下册必背顺口溜口诀汇总#二年级#二年级数学下册 #知识分享 #家长收藏孩子受益 #关注我持续更新小学知识.pdf
10.00金币
0下载
二年级数学下册《重点难点思维题》两大问题解决技巧和方法巧算星期几解决周期问题还原问题强化思维训练老师精心整理家长可以打印出来给孩子练习#家长收藏孩子受益 #学霸秘籍 #思维训练 #二年级 #知识点总结.pdf
10.00金币
0下载
二年级数学下册 必背公式大全寒假提前背一背开学更轻松#二年级 #二年级数学 #二年级数学下册 #寒假充电计划 #公式.pdf
10.00金币
0下载
蜗牛文库+ 关注
实名认证
内容提供者

提供各种专业文档内容

确认删除?
QQ
  • QQ点击这里给我发消息
微信客服
  • 微信客服
回到顶部