电脑桌面
添加蜗牛文库到电脑桌面
安装后可以在桌面快捷访问

SCT 8048-1994 渔船船体修理技术要求.pdfVIP免费

SCT 8048-1994 渔船船体修理技术要求.pdf_第1页
SCT 8048-1994 渔船船体修理技术要求.pdf_第2页
SCT 8048-1994 渔船船体修理技术要求.pdf_第3页
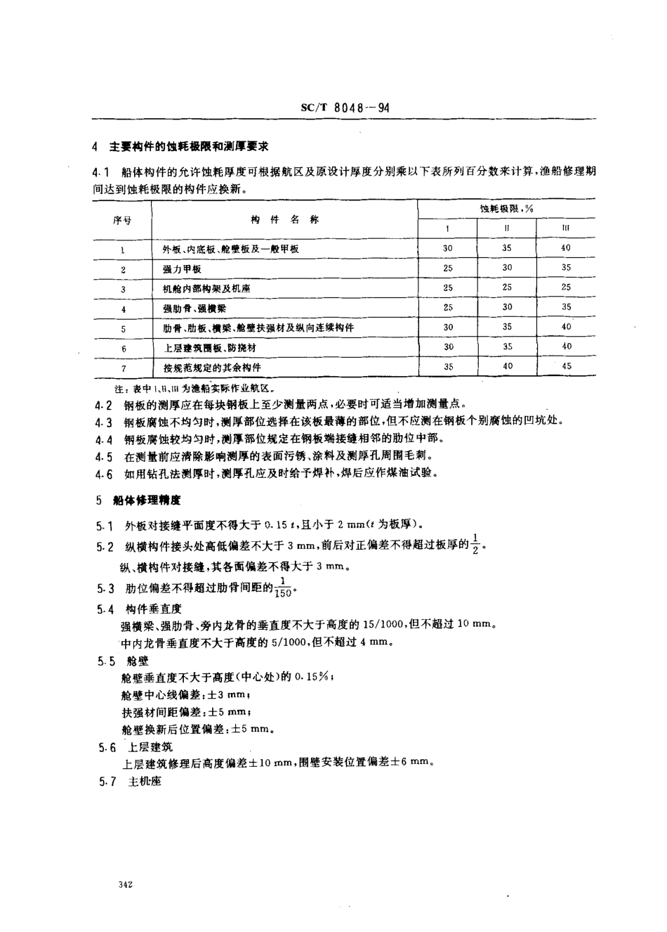
中华人民共和国水产行业标准SC/T8048一94渔船船体修理技术要求代替SC48--791主肠内容与适用范围本标准规定了渔船船体构件的蚀耗极限、修理精度、焊接质量、除锈油漆及木甲板、压载、敷料、附件检修和密性试验、下水等基本要求。本标准适用于渔船船体定期修理,渔业辅助船修理可参照执行。2弓!用标准GB712船体用结构钢CB'3177民用船舶钢焊缝射线照相和超声波检查规则SC/T8076渔船船体涂装技术要求SC/T8088渔船制冷系统效用试验技术要求SC/T8122渔船牺牲阳极安装技术要求SC/'P8131渔船船体焊接外观质量要求3一般规定3.1船体的修理应按原设计图样修复,若需改进应经船方和验船部门同意。3.2修船所用的材料应符合《钢质海洋渔船建造规范》和GB712的要求。材料代用时,需经验船部门同意。13船壳板的换新长度不得小于两个肋距,并尽量避免焊缝的增加。3.4渔船上排(进坞)和船休构件在拆换修理时,应采取有效措施防止船体变形。15船体各构件的拆换不得损伤相连的其他构件。16船体构件因受外力产生的变形而影响到航行安全时,应予矫正修复,循舰柱蚀耗允许采用焊补,并须消除焊接应力。I了凡装配搜盖隐蔽的构件(如护舷材内部及各种复板等)必须去锈涂漆才能装配。3.8确定船体构件修理时,除根据测厚记录外,还须到现场察看构件腐蚀分布情况以确定修理方法和工程范围。3.9腐蚀坑点直径在15^50mm之间,部位比较分散,数量较少,一般可允许堆焊填补。堆焊前金属表面应清洁除锈,焊后表面应磨平,局部疤状腐蚀宽度大于50mm,深度达到原厚度的40%时,在年检时允许用挖补或复补修理,但到定期检修时,复补处应予换新。3.10渔船冷藏舱经局部修理后,应结合轮机按SC/T8088进行绝热效能试验,使鱼舱在规定时间内温升基本达到要求。3.11上排(进坞)修理的渔船在上排前应作航行试验,经修理后的船舶的主要性能应基本恢复。3.12凡经改建增减及更动固定设备等导致重量、重心改变足以影响稳性时,施工前应按规范核算稳性,合格后方可施工,完工后作倾斜试验。中华人民共和国农业部1994一11一01批准1995一01一01实施SC/T8048一94主要构件的蚀耗极限和测厚要求船体构件的允许蚀耗厚度可根据航区及原设计厚度分别乘以下表所列百分数来计算,渔船修理期间达到蚀耗极限的构件应换新。序号构件名称蚀耗极限,肠Ii川1外板、内底板、舱堕板及一般甲板3035402强力甲板2530353机舱内部构架及机座2525254强肋骨、强横梁2530355肋骨、肋板、横梁、舱壁扶强材及纵向连续构件3035406上层建筑...

1、当您付费下载文档后,您只拥有了使用权限,并不意味着购买了版权,文档只能用于自身使用,不得用于其他商业用途(如 [转卖]进行直接盈利或[编辑后售卖]进行间接盈利)。
2、本站所有内容均由合作方或网友上传,本站不对文档的完整性、权威性及其观点立场正确性做任何保证或承诺!文档内容仅供研究参考,付费前请自行鉴别。
3、如文档内容存在违规,或者侵犯商业秘密、侵犯著作权等,请点击“违规举报”。

碎片内容

蜗牛文库的最新文档

二年级数学下册其中检测卷二年级数学下册其中检测卷附答案#期中测试卷.pdf
10.00金币
0下载
二年级数学下册期末质检卷(苏教版)二年级数学下册期末质检卷(苏教版)#期末复习 #期末测试卷 #二年级数学 #二年级数学下册#关注我持续更新小学知识.pdf
10.00金币
0下载
二年级数学下册期末混合运算专项练习二年级数学下册期末混合运算专项练习#二年级#二年级数学下册#关注我持续更新小学知识 #知识分享 #家长收藏孩子受益.pdf
10.00金币
1下载
二年级数学下册年月日三类周期问题解题方法二年级数学下册年月日三类周期问题解题方法#二年级#二年级数学下册#知识分享 #关注我持续更新小学知识 #家长收藏孩子受益.pdf
10.00金币
0下载
二年级数学下册解决问题专项训练二年级数学下册解决问题专项训练#专项训练#解决问题#二年级#二年级数学下册#知识分享.pdf
10.00金币
1下载
二年级数学下册还原问题二年级数学下册还原问题#二年级#二年级数学#关注我持续更新小学知识 #知识分享 #家长收藏孩子受益.pdf
10.00金币
1下载
二年级数学下册第六单元考试卷家长打印出来给孩子测试测试争取拿到高分!#小学二年级试卷分享 #二年级第六单考试数学 #第六单考试#二年级数学下册.pdf
10.00金币
0下载
二年级数学下册必背顺口溜口诀汇总二年级数学下册必背顺口溜口诀汇总#二年级#二年级数学下册 #知识分享 #家长收藏孩子受益 #关注我持续更新小学知识.pdf
10.00金币
0下载
二年级数学下册《重点难点思维题》两大问题解决技巧和方法巧算星期几解决周期问题还原问题强化思维训练老师精心整理家长可以打印出来给孩子练习#家长收藏孩子受益 #学霸秘籍 #思维训练 #二年级 #知识点总结.pdf
10.00金币
0下载
二年级数学下册 必背公式大全寒假提前背一背开学更轻松#二年级 #二年级数学 #二年级数学下册 #寒假充电计划 #公式.pdf
10.00金币
0下载
蜗牛文库+ 关注
实名认证
内容提供者

提供各种专业文档内容

确认删除?
QQ
  • QQ点击这里给我发消息
微信客服
  • 微信客服
回到顶部