电脑桌面
添加蜗牛文库到电脑桌面
安装后可以在桌面快捷访问

GB 12312-1990感官分析 味觉敏感度的测定.pdfVIP免费

GB 12312-1990感官分析 味觉敏感度的测定.pdf_第1页
GB 12312-1990感官分析 味觉敏感度的测定.pdf_第2页
GB 12312-1990感官分析 味觉敏感度的测定.pdf_第3页
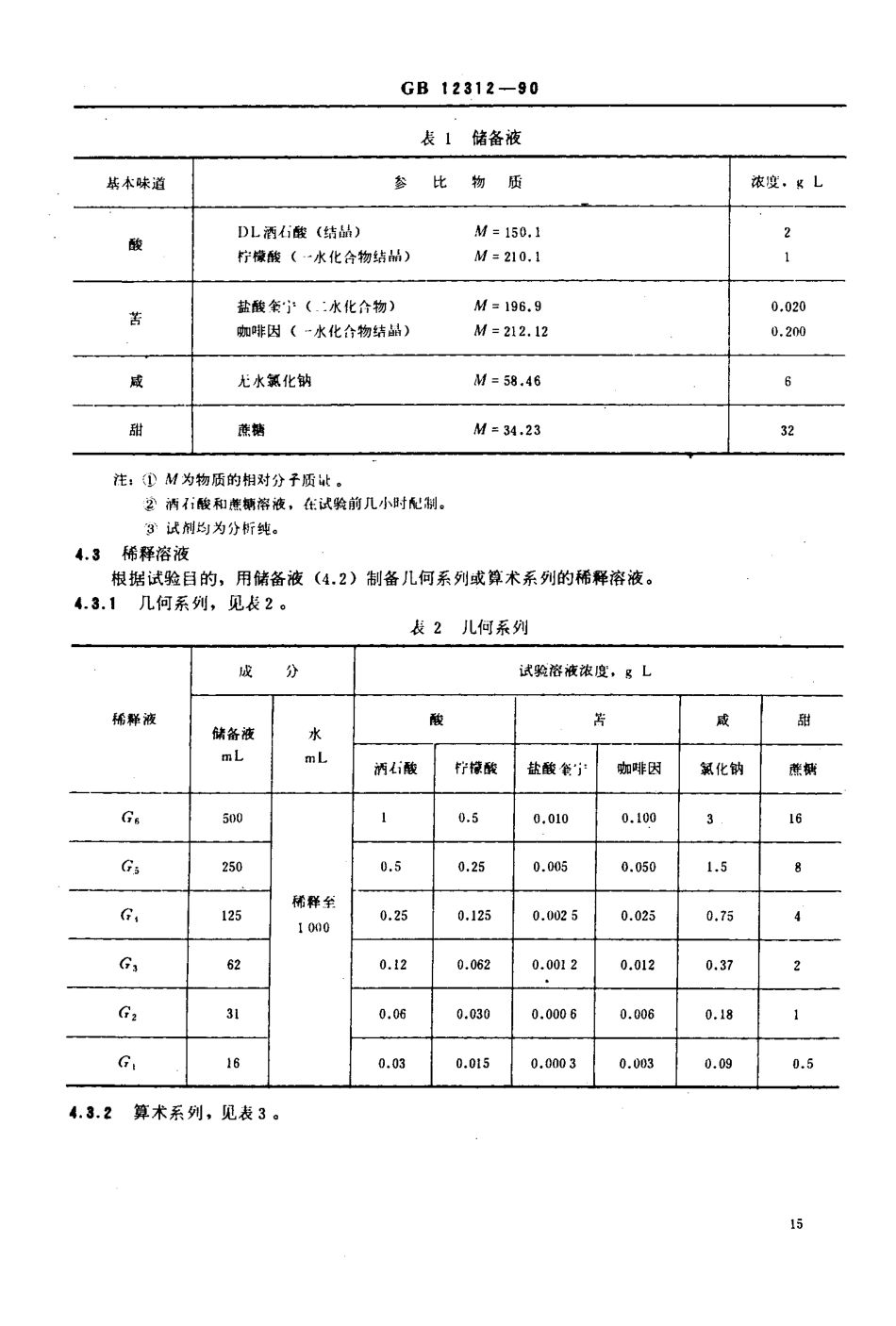
UDC肚0B0月场昌中华人民共和国国家标准GB12810~12316-90感官分析方法Sensoryanalysismethod1990一04一10发布1990一12一01实施国家技术监督局发布中华人民共和国国家标准感官分析味觉敏感度的测定GB12312-90Sensoryanalysis-Determinationofsensitivityoftaste本标准等效采用国际标准ISO3972-1979《感官分析—味觉敏感度测定》。1主题内容和适用范围木标准规定了四种丝本味道的识别能力及其觉察闽,识别阂,差别阑的测定。本标准适用于味觉敏感度的测定,以及选择、培训评价员。2引用标准GB10221.1一10221.4感官分析术语GB10220感官分析方法总论3方法提要3.1识别At本味道的能力制备具有四种基本味道已知浓度的参比溶液,按未知顺序提供给评价员,每次品尝后作记录。3.2不同类型阑的测定将储备溶液按两种系列稀释,以浓度递增的顺序向评价员提供某种基本味道系列浓度的稀释溶液,每次品尝后,作记录。:一几何系列:稀释比率为2。算术系列:浓度间差异较小,用于味觉敏感度的精确测定。4试剂4.1水无色、无味、无嗅、尤泡沫、中性,纯度接近于蒸馏水,对实验结果无影响。4.2储备液按表1规定制备。国家技术监怪局1990一04一10批准1990一12一01实施GB12312-90表1储备液从本味道参比物质浓度.9L酸DL酒石酸(结品)材二150.1柠檬酸(一水化合物结n/i)材二210.1{苦盐酸奎与’(几水化合物)M二196.9咖啡因(一水化合物结晶)M二212.12:‘:::咸无水氯化钠M二58.466甜蔗搪M二34.2332注:①M为物质的相对分子质4k。L)洒石酸和蔗摘溶液.在试验前几小时k制。X试刻均为分析纯。4.3稀释溶液根据试验目的,用储备液(4.2)制备儿何系列或算术系列的稀释溶液。4.3.1几何系列,见表2。表2儿何系列稀释液成分试验溶液浓度.gL储备液.LmL酸苦咸甜洒石酸犷f檬酸盐酸袋I-咖啡因抓化钠蔗柄‘。500M"t100010.50.0100.100316o.50.250.0050.0501.58r,250G,1250.250.1250.00250.0250.754G,620.120.0620.夕01“0.0120.372Gz310.060.0300.00060.0060.181G,160.030.0150.00030.0030.090.54.3.2算术系列,见表3。GB12512一,0表3算术系列稀释液成分试验溶液浓度,gL制备液mL水mL酸苦咸甜酒石酸柠檬酸盐酸奎宁咖啡因氮化钠蔗搪AS250mod10000.500.2500.00500.0501.508.00.450.2250.00450.0451.357.2A,2250.400.2000.00400.0401.206.4A72000.350.1750.00350.0351.055.6As1750.300.1500.00300.0300.904.8AS1500.250.1250.00250.0250.754.0A,1250.200.1000.0020L__0.0200.603.2凡1000.150.0750.00150.0...

1、当您付费下载文档后,您只拥有了使用权限,并不意味着购买了版权,文档只能用于自身使用,不得用于其他商业用途(如 [转卖]进行直接盈利或[编辑后售卖]进行间接盈利)。
2、本站所有内容均由合作方或网友上传,本站不对文档的完整性、权威性及其观点立场正确性做任何保证或承诺!文档内容仅供研究参考,付费前请自行鉴别。
3、如文档内容存在违规,或者侵犯商业秘密、侵犯著作权等,请点击“违规举报”。

碎片内容

蜗牛文库的最新文档

二年级数学下册其中检测卷二年级数学下册其中检测卷附答案#期中测试卷.pdf
10.00金币
0下载
二年级数学下册期末质检卷(苏教版)二年级数学下册期末质检卷(苏教版)#期末复习 #期末测试卷 #二年级数学 #二年级数学下册#关注我持续更新小学知识.pdf
10.00金币
0下载
二年级数学下册期末混合运算专项练习二年级数学下册期末混合运算专项练习#二年级#二年级数学下册#关注我持续更新小学知识 #知识分享 #家长收藏孩子受益.pdf
10.00金币
1下载
二年级数学下册年月日三类周期问题解题方法二年级数学下册年月日三类周期问题解题方法#二年级#二年级数学下册#知识分享 #关注我持续更新小学知识 #家长收藏孩子受益.pdf
10.00金币
0下载
二年级数学下册解决问题专项训练二年级数学下册解决问题专项训练#专项训练#解决问题#二年级#二年级数学下册#知识分享.pdf
10.00金币
1下载
二年级数学下册还原问题二年级数学下册还原问题#二年级#二年级数学#关注我持续更新小学知识 #知识分享 #家长收藏孩子受益.pdf
10.00金币
1下载
二年级数学下册第六单元考试卷家长打印出来给孩子测试测试争取拿到高分!#小学二年级试卷分享 #二年级第六单考试数学 #第六单考试#二年级数学下册.pdf
10.00金币
0下载
二年级数学下册必背顺口溜口诀汇总二年级数学下册必背顺口溜口诀汇总#二年级#二年级数学下册 #知识分享 #家长收藏孩子受益 #关注我持续更新小学知识.pdf
10.00金币
0下载
二年级数学下册《重点难点思维题》两大问题解决技巧和方法巧算星期几解决周期问题还原问题强化思维训练老师精心整理家长可以打印出来给孩子练习#家长收藏孩子受益 #学霸秘籍 #思维训练 #二年级 #知识点总结.pdf
10.00金币
0下载
二年级数学下册 必背公式大全寒假提前背一背开学更轻松#二年级 #二年级数学 #二年级数学下册 #寒假充电计划 #公式.pdf
10.00金币
0下载
蜗牛文库+ 关注
实名认证
内容提供者

提供各种专业文档内容

确认删除?
QQ
  • QQ点击这里给我发消息
微信客服
  • 微信客服
回到顶部