电脑桌面
添加蜗牛文库到电脑桌面
安装后可以在桌面快捷访问

HG 2539-1993 钢丝绳芯难燃输送带.pdfVIP免费

HG 2539-1993 钢丝绳芯难燃输送带.pdf_第1页
HG 2539-1993 钢丝绳芯难燃输送带.pdf_第2页
HG 2539-1993 钢丝绳芯难燃输送带.pdf_第3页
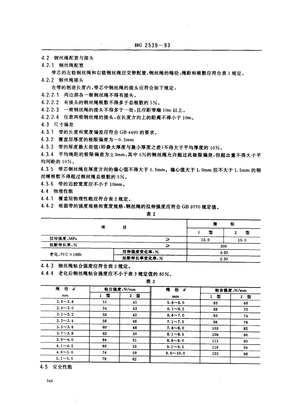
中华人民共和国化工行业标准HG2539一93钢丝绳芯难燃输送带1主肠内容与适用范围本标准规定了钢丝绳芯难燃输送带(以下简称带)的产品分类、技术要求、试验方法、检验规则及标志、包装、运输和贮存等。本标准适用于要求难姗且导静电的场所使用的俐丝绳芯物送带。2弓I用标准GB/T528硫化橡胶和热塑性橡胶拉伸性能的测定GB/T3512橡胶热空气老化试验方法GB/T3684运输带导电性规范和试验方法GB/T3685运输带耐然性试验方法GB4490运辘带尺寸GB5752输送带标志GB/T5753钢丝绳芯翰送带硬盖层厚度的测定GB/丁5754钢丝绳芯翰送带纵向拉伸强度的侧定GB/T5755钢丝绳芯艳送带钢丝绳粘合强度的侧定GB6757输送带贮存和搬运通则GB/T7986轴送带滚简摩擦试验方法GB9770钢丝绳芯愉送带HG/T2410输送带取样3产品分类3.,产品规格带按纵向拉伸强度、宽度区分规格。3.1.1强度规格带的强度规格用字母“ST”和纵向拉伸强度(N/mm)的标称值表示,其系列见表1,3.1.2宽度规格带的宽度规格以mm为单位表示,其系列见表1,3.2产品类型带根据物理性能和安全性能分为1型和2型。3.3产品型号带的型号示例如下:中华人民共和国化学工业部1993一09一06批准1994一12一01实施HG2539一93ST1000S1或210004.5-6X6上下覆盖层厚度(mm)丝绳直径(mm)宽度规格(mm)性能级别难燃且导静电字母代号强度规格4技术要求4.1结构与尺寸带的结构与尺寸如图1和表1,图1b-带的宽度,b,一两端钢丝绳之间的中心距离,b,一边胶宽度,d-钢丝绳直径。。钢丝绳在厚度方向的偏心值J一偏心测定用的基准线,t一带的厚度;t,一上扭盖层厚度山一下硬盖层厚度,p-钢丝绳间距表1带的强度规格ST630ST800ST1000ST1250I__一I__ST2500ST3150ST4000ST1600ST2000纵向拉伸强度.N/mm6308001000125016002000250031504000钢丝绳最大公称直径.mm3.03.54.04.55.06.07.58.19.1钢丝绳间距.mm101012121212151517带的上概盖层厚度,mm556668888带的下搜盖层厚度,mm55666‘688宽度规格,mm钢丝绳根数8007575636363635050100095957979.79796464561200113113949494947676681400133133111111111111898979160015115112612612612610110191180017114314314314311411410320001591591591591281281142200176141141125343HG2539一934.2钢丝绳配置与接头4.2.1钢丝绳配置带芯的左稳钢丝绳和右稳钢丝绳应交替配置,钢丝绳的绳径,绳距和根数应符合表1规定。4.2.2钢丝绳接头在带的制造长度内,带芯中钢丝绳的接头应符合如下规定:4.2.2,1两边部各一根钢丝绳不得有接头。4.2.2...

1、当您付费下载文档后,您只拥有了使用权限,并不意味着购买了版权,文档只能用于自身使用,不得用于其他商业用途(如 [转卖]进行直接盈利或[编辑后售卖]进行间接盈利)。
2、本站所有内容均由合作方或网友上传,本站不对文档的完整性、权威性及其观点立场正确性做任何保证或承诺!文档内容仅供研究参考,付费前请自行鉴别。
3、如文档内容存在违规,或者侵犯商业秘密、侵犯著作权等,请点击“违规举报”。

碎片内容

蜗牛文库的最新文档

二年级数学下册其中检测卷二年级数学下册其中检测卷附答案#期中测试卷.pdf
10.00金币
0下载
二年级数学下册期末质检卷(苏教版)二年级数学下册期末质检卷(苏教版)#期末复习 #期末测试卷 #二年级数学 #二年级数学下册#关注我持续更新小学知识.pdf
10.00金币
0下载
二年级数学下册期末混合运算专项练习二年级数学下册期末混合运算专项练习#二年级#二年级数学下册#关注我持续更新小学知识 #知识分享 #家长收藏孩子受益.pdf
10.00金币
1下载
二年级数学下册年月日三类周期问题解题方法二年级数学下册年月日三类周期问题解题方法#二年级#二年级数学下册#知识分享 #关注我持续更新小学知识 #家长收藏孩子受益.pdf
10.00金币
0下载
二年级数学下册解决问题专项训练二年级数学下册解决问题专项训练#专项训练#解决问题#二年级#二年级数学下册#知识分享.pdf
10.00金币
1下载
二年级数学下册还原问题二年级数学下册还原问题#二年级#二年级数学#关注我持续更新小学知识 #知识分享 #家长收藏孩子受益.pdf
10.00金币
1下载
二年级数学下册第六单元考试卷家长打印出来给孩子测试测试争取拿到高分!#小学二年级试卷分享 #二年级第六单考试数学 #第六单考试#二年级数学下册.pdf
10.00金币
0下载
二年级数学下册必背顺口溜口诀汇总二年级数学下册必背顺口溜口诀汇总#二年级#二年级数学下册 #知识分享 #家长收藏孩子受益 #关注我持续更新小学知识.pdf
10.00金币
0下载
二年级数学下册《重点难点思维题》两大问题解决技巧和方法巧算星期几解决周期问题还原问题强化思维训练老师精心整理家长可以打印出来给孩子练习#家长收藏孩子受益 #学霸秘籍 #思维训练 #二年级 #知识点总结.pdf
10.00金币
0下载
二年级数学下册 必背公式大全寒假提前背一背开学更轻松#二年级 #二年级数学 #二年级数学下册 #寒假充电计划 #公式.pdf
10.00金币
0下载
蜗牛文库+ 关注
实名认证
内容提供者

提供各种专业文档内容

确认删除?
QQ
  • QQ点击这里给我发消息
微信客服
  • 微信客服
回到顶部