电脑桌面
添加蜗牛文库到电脑桌面
安装后可以在桌面快捷访问

SCT 3210-2001 盐渍海蜇皮和盐渍海蜇头.pdfVIP免费

SCT 3210-2001 盐渍海蜇皮和盐渍海蜇头.pdf_第1页
SCT 3210-2001 盐渍海蜇皮和盐渍海蜇头.pdf_第2页
SCT 3210-2001 盐渍海蜇皮和盐渍海蜇头.pdf_第3页
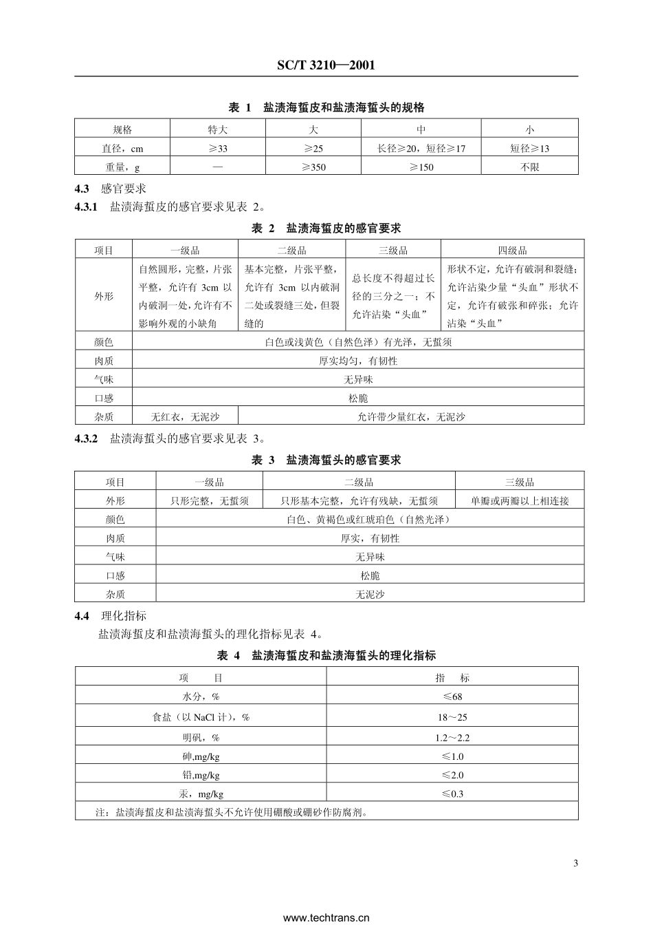
SC/T3210—20011前言本标准是对水产行业标准SC/T3210—1986《盐渍海蜇皮和盐渍海蜇头》(原GB6629—1986)进行的修订。本标准主要修订内容:——对水分、盐分、汞、砷、铅的试验方法直接引用了相关标准方法;——对明矾含量的测定方法进行了改进;——增加了汞、砷、铜等卫生指标的限量。本标准由农业部渔业局提出。本标准由中国水产科学研究院黄海水产研究所归口。本标准起草单位:河北水产学校。本标准主要起草人:周志云、张平山、董慧智。本标准于1986年7月首次发布。本次修订为第一次修订。www.techtrans.cn2中华人民共和国水产行业标准盐渍海蜇皮和盐清海蜇头Saltedjellyfishandsaltedjellyfishhead1范围本标准规定了盐渍海蜇皮和盐渍海蜇头的规格、技术要求、试验方法、检验规则和标志、包装、运输、贮存。本标准适用于海蜇(Rhepilemaesculenta)及黄斑海蜇(Rhepilemahispidum)等食用水母经盐矾三次提干的加工制品。2引用标准下列标准所包含的条文,通过在本标准中引用而构成为本标准的条文。本标准出版时,所示版本均为有效。所有标准都会被修订,使用本标准的各方应探讨使用下列标准最新版本的可能性。GB1895—1994食品添加剂硫酸铝钾(钾明矾)GB/T5009.3—1984食品中水分的测定方法GB/T5009.11—1996食品中总砷的测定方法GB/T5009.12—1996食品中铅的测定方法GB/T5009.17—1996食品中总汞的测定方法GB/T5009.44—1996肉与肉制品卫生标准的分析方法GB5461—2000食用盐GB5749—1985生活饮用水卫生标准GB7718—1994食品标签通用标准3定义本标准采用下列定义:3.1头血headblood海蜇颈部、口腕部(即海蜇头)的分泌物。4要求4.1原辅材料要求4.1.1鲜海蜇:新鲜,不得有腐败变质或被污染的现象;4.1.2食用盐:应符合GB5461中的规定;4.1.3明矾:应符合GB1895中的规定。4.1.4生产用水应符合GB5749中的规定。4.2规格盐渍海蜇皮和盐渍海蜇头的规格见表1。中华人民共和国农业部2001-07-27批准2001-11-01实施SC/T3210—2001代替SC/T3210—1986www.techtrans.cnSC/T3210—20013表1盐渍海蜇皮和盐渍海蜇头的规格规格特大大中小直径,cm≥33≥25长径≥20,短径≥17短径≥13重量,g—≥350≥150不限4.3感官要求4.3.1盐渍海蜇皮的感官要求见表2。表2盐渍海蜇皮的感官要求项目一级品二级品三级品四级品外形自然圆形,完整,片张平整,允许有3cm以内破洞一处,允许有不影响外观的小缺角基本完整,片张平整,允许有3cm以内破洞二处或裂缝三处,但裂缝的总...

1、当您付费下载文档后,您只拥有了使用权限,并不意味着购买了版权,文档只能用于自身使用,不得用于其他商业用途(如 [转卖]进行直接盈利或[编辑后售卖]进行间接盈利)。
2、本站所有内容均由合作方或网友上传,本站不对文档的完整性、权威性及其观点立场正确性做任何保证或承诺!文档内容仅供研究参考,付费前请自行鉴别。
3、如文档内容存在违规,或者侵犯商业秘密、侵犯著作权等,请点击“违规举报”。

碎片内容

蜗牛文库的最新文档

二年级数学下册其中检测卷二年级数学下册其中检测卷附答案#期中测试卷.pdf
10.00金币
0下载
二年级数学下册期末质检卷(苏教版)二年级数学下册期末质检卷(苏教版)#期末复习 #期末测试卷 #二年级数学 #二年级数学下册#关注我持续更新小学知识.pdf
10.00金币
0下载
二年级数学下册期末混合运算专项练习二年级数学下册期末混合运算专项练习#二年级#二年级数学下册#关注我持续更新小学知识 #知识分享 #家长收藏孩子受益.pdf
10.00金币
1下载
二年级数学下册年月日三类周期问题解题方法二年级数学下册年月日三类周期问题解题方法#二年级#二年级数学下册#知识分享 #关注我持续更新小学知识 #家长收藏孩子受益.pdf
10.00金币
0下载
二年级数学下册解决问题专项训练二年级数学下册解决问题专项训练#专项训练#解决问题#二年级#二年级数学下册#知识分享.pdf
10.00金币
1下载
二年级数学下册还原问题二年级数学下册还原问题#二年级#二年级数学#关注我持续更新小学知识 #知识分享 #家长收藏孩子受益.pdf
10.00金币
1下载
二年级数学下册第六单元考试卷家长打印出来给孩子测试测试争取拿到高分!#小学二年级试卷分享 #二年级第六单考试数学 #第六单考试#二年级数学下册.pdf
10.00金币
0下载
二年级数学下册必背顺口溜口诀汇总二年级数学下册必背顺口溜口诀汇总#二年级#二年级数学下册 #知识分享 #家长收藏孩子受益 #关注我持续更新小学知识.pdf
10.00金币
0下载
二年级数学下册《重点难点思维题》两大问题解决技巧和方法巧算星期几解决周期问题还原问题强化思维训练老师精心整理家长可以打印出来给孩子练习#家长收藏孩子受益 #学霸秘籍 #思维训练 #二年级 #知识点总结.pdf
10.00金币
0下载
二年级数学下册 必背公式大全寒假提前背一背开学更轻松#二年级 #二年级数学 #二年级数学下册 #寒假充电计划 #公式.pdf
10.00金币
0下载
蜗牛文库+ 关注
实名认证
内容提供者

提供各种专业文档内容

确认删除?
QQ
  • QQ点击这里给我发消息
微信客服
  • 微信客服
回到顶部