电脑桌面
添加蜗牛文库到电脑桌面
安装后可以在桌面快捷访问

GBT 16471-1996 运输包装件尺寸界限.pdfVIP免费

GBT 16471-1996 运输包装件尺寸界限.pdf_第1页
GBT 16471-1996 运输包装件尺寸界限.pdf_第2页
GBT 16471-1996 运输包装件尺寸界限.pdf_第3页
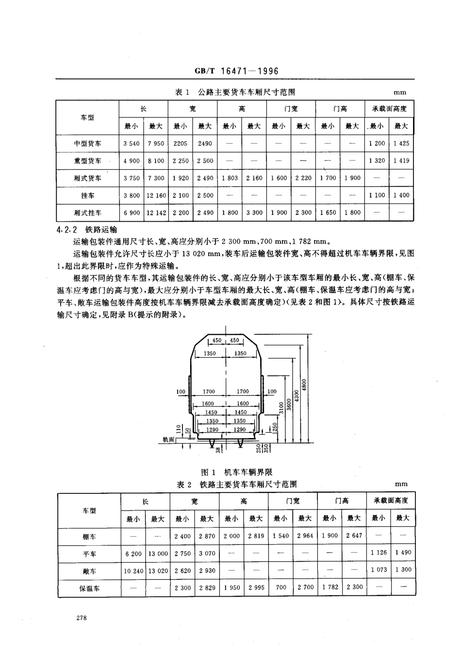
GB/T16471一1996前言本标准是根据我国运输现状,非等效采用美国军用标准MIL-STD-1366B,1981《装备器材运输系统的尺寸和重量限制的规定》的制定方法进行制定的。这样,尽可能与现存运输工具尺寸协调一致,以尽快适应国际贸易、技术和经济交流的需要。依据美国军用标准制定方法制定标准时,保留了美国军用标准中适合于我国国情的部分内容。按GB/T1.1-1993((标准化工作导则第1单元:标准的起草与表述规则第1部分:标准编写的基本规定》的编写规定,没有完全采用美国军用标准章条内容。本标准规定的运输包装件各项尺寸界限,涉及到各种运输工具有关尺寸大小,这些尺寸是限制运输包装件尺寸的主要依据。本标准的附录A,附录B、附录C、附录D、附录E都是提示的附录。本标准由中国包装总公司提出。本标准由全国包装标准化技术委员会归口。本标准负责起草单位:交通部标准计量研究所、机械部标准化研究所、铁道部标准计量研究所和中国民航局第一研究所。本标准主要起草人:熊才启、汪炜、卿红宇、张锦、黄雪。本标准委托交通部标准计量研究所负责解释。中华人民共和国国家标准GB/T16471一1996运输包装件尺寸界限Dimensionalconstraintsfortransportpackage1范围本标准规定了公路、铁路、水路、航空等运输方式的运输包装件外廓尺寸界限。本标准适用于运输包装件的设计和装载运输等。2引用标准下列标准所包含的条文,通过在本标准中引用而构成为本标准的条文。本标准出版时,所示版本均为有效。所有标准都会被修订,使用本标准的各方应探讨使用下列标准最新版本的可能性。GB1413-85集装箱类型、尺寸和额定质量3定义本标准采用下列定义。11通用尺寸generaldimension适用于运输工具各种载货空间的运输包装件最大外廓尺寸。3.2允许尺寸admitteddimension适用于运输工具某种载货空间的运输包装件最大外廓尺寸。4运输包装件尺寸界限4-,一般要求运输包装件长、宽、高最大分别不应超过5639mm,2134mm,l981mm(航空运输除外)。4.2具体要求4.2.1公路运输运输包装件通用尺寸长、宽、高应分别小于3540mm,1600mm,1650mm,运输包装件允许尺寸长、宽应分别小于12160mm,2500mm,装车后运输包装件最高离地不得超过4000mm。超出此界限时,应作为特殊运输。根据不同的货车车型,其运输包装件的长、宽、高应分别小于该车型车厢的最小长、宽、高(厢式车高、宽取厢门高、厢门宽),最大应分别小于车型车厢的最大长、宽、高(厢式车高、宽取厢门高、厢门宽),见表1。具体尺寸按公路运输尺寸确...

1、当您付费下载文档后,您只拥有了使用权限,并不意味着购买了版权,文档只能用于自身使用,不得用于其他商业用途(如 [转卖]进行直接盈利或[编辑后售卖]进行间接盈利)。
2、本站所有内容均由合作方或网友上传,本站不对文档的完整性、权威性及其观点立场正确性做任何保证或承诺!文档内容仅供研究参考,付费前请自行鉴别。
3、如文档内容存在违规,或者侵犯商业秘密、侵犯著作权等,请点击“违规举报”。

碎片内容

蜗牛文库的最新文档

二年级数学下册其中检测卷二年级数学下册其中检测卷附答案#期中测试卷.pdf
10.00金币
0下载
二年级数学下册期末质检卷(苏教版)二年级数学下册期末质检卷(苏教版)#期末复习 #期末测试卷 #二年级数学 #二年级数学下册#关注我持续更新小学知识.pdf
10.00金币
0下载
二年级数学下册期末混合运算专项练习二年级数学下册期末混合运算专项练习#二年级#二年级数学下册#关注我持续更新小学知识 #知识分享 #家长收藏孩子受益.pdf
10.00金币
1下载
二年级数学下册年月日三类周期问题解题方法二年级数学下册年月日三类周期问题解题方法#二年级#二年级数学下册#知识分享 #关注我持续更新小学知识 #家长收藏孩子受益.pdf
10.00金币
0下载
二年级数学下册解决问题专项训练二年级数学下册解决问题专项训练#专项训练#解决问题#二年级#二年级数学下册#知识分享.pdf
10.00金币
1下载
二年级数学下册还原问题二年级数学下册还原问题#二年级#二年级数学#关注我持续更新小学知识 #知识分享 #家长收藏孩子受益.pdf
10.00金币
1下载
二年级数学下册第六单元考试卷家长打印出来给孩子测试测试争取拿到高分!#小学二年级试卷分享 #二年级第六单考试数学 #第六单考试#二年级数学下册.pdf
10.00金币
0下载
二年级数学下册必背顺口溜口诀汇总二年级数学下册必背顺口溜口诀汇总#二年级#二年级数学下册 #知识分享 #家长收藏孩子受益 #关注我持续更新小学知识.pdf
10.00金币
0下载
二年级数学下册《重点难点思维题》两大问题解决技巧和方法巧算星期几解决周期问题还原问题强化思维训练老师精心整理家长可以打印出来给孩子练习#家长收藏孩子受益 #学霸秘籍 #思维训练 #二年级 #知识点总结.pdf
10.00金币
0下载
二年级数学下册 必背公式大全寒假提前背一背开学更轻松#二年级 #二年级数学 #二年级数学下册 #寒假充电计划 #公式.pdf
10.00金币
0下载
蜗牛文库+ 关注
实名认证
内容提供者

提供各种专业文档内容

确认删除?
QQ
  • QQ点击这里给我发消息
微信客服
  • 微信客服
回到顶部