电脑桌面
添加蜗牛文库到电脑桌面
安装后可以在桌面快捷访问

散装楼房仓楼上廒间进出粮系统优化——共用溜管_李佑贵.pdfVIP免费

散装楼房仓楼上廒间进出粮系统优化——共用溜管_李佑贵.pdf_第1页
散装楼房仓楼上廒间进出粮系统优化——共用溜管_李佑贵.pdf_第2页
散装楼房仓楼上廒间进出粮系统优化——共用溜管_李佑贵.pdf_第3页
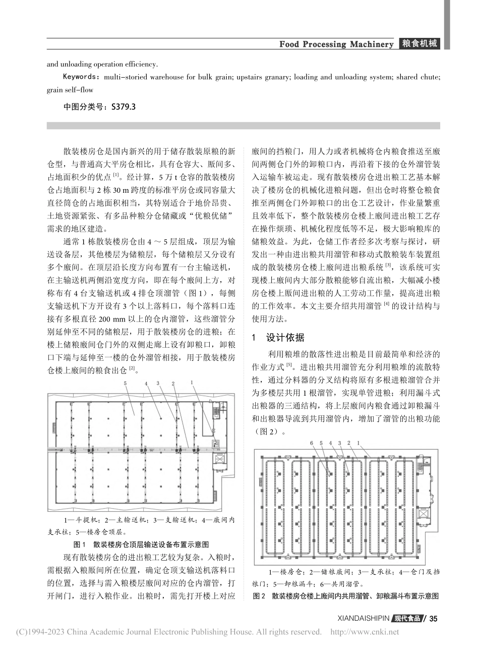
现代食品现代食品XIANDAISHIPIN3434/粮食机械粮食机械FoodProcessingMachinerydoi:10.16736/j.cnki.cn41-1434/ts.2022.24.009散装楼房仓楼上廒间进出粮系统优化——共用溜管OptimizationoftheGrainLoadingandUnloadingSystemusedforMulti-storiedWarehouseforBulkGrain--theSharedChute◎李佑贵1,周亚男2,吴琼3,张来林3,刘强2,江文华1,赵志良2(1.广州市番禺粮食储备有限公司,广东广州511400;2.河南工大设计研究院,河南郑州450001;3.河南工业大学粮食和物资储备学院,河南郑州450001)LIYougui1,ZHOUYanan2,WUQiong3,ZHANGLailin3,LIUQiang2,JIANGWenhua1,ZHAOZhiliang2(1.GuangzhouPanyuGrainReserveCo.,Ltd.,Guangzhou511400,China;2.DesignandResearchAcademy,HenanUniversityofTechnology,Zhengzhou450001,China;3.SchoolofFoodandStrategicReserves,HenanUniversityofTechnology,Zhengzhou450001,China)摘要:针对现有散装楼房仓进出粮系统存在的不足,对散装楼房仓的进出粮工艺进行优化。通过在原进粮溜管上设置分料器、漏斗式出粮器和在楼上廒间地坪上设置卸粮漏斗等改造,研发出用于散装楼房仓楼上廒间进出粮的共用溜管,将仓顶落料点处由多根进粮溜管合并为1根,并增加了出仓功能。与原散装楼房仓出仓工艺相比,进出粮共用溜管的设计使楼上厫间内2/3粮食在出仓时可利用粮食的流散特性自流出仓,将剩余粮食就近推入卸粮漏斗的工作量减少80%,具有工艺简化、粮食自流率高、作业强度降低和作业效率高的特点,达到有效提高仓储作业机械自动化程度和进出粮效率的目的。关键词:散装楼房仓;楼上廒间;进出粮工艺;共用溜管;粮食自流Abstract:Inthispaper,inordertooptimizethegrainloadingandunloadingsystemusedformulti-storiedwarehouseforbulkgrain,akindofloadingandunloadingsharedchutewasdevelopedthroughthemodificationoftheoriginalgraininletgranulationtubewithfeeder,funneltypegrainoutletandgraindischargefunnelarrangedintheupstairsfloortoovercometheexistingshortcomingsofthebulkwarehouseloadingandunloadingsystem.Themodifiedloadingandunloadingsharedchutemergesmultipleslippipesintooneatthedroppointonthetopofthewarehouse,andaddstheunloadingfunctionofthewarehouseaswell.Comparedwiththeoriginalbulkwarehousedischargingprocess,thedesignofthesharedchutemakestwothirdsofthegraincanusethes...

1、当您付费下载文档后,您只拥有了使用权限,并不意味着购买了版权,文档只能用于自身使用,不得用于其他商业用途(如 [转卖]进行直接盈利或[编辑后售卖]进行间接盈利)。
2、本站所有内容均由合作方或网友上传,本站不对文档的完整性、权威性及其观点立场正确性做任何保证或承诺!文档内容仅供研究参考,付费前请自行鉴别。
3、如文档内容存在违规,或者侵犯商业秘密、侵犯著作权等,请点击“违规举报”。

碎片内容

蜗牛文库的最新文档

二年级数学下册其中检测卷二年级数学下册其中检测卷附答案#期中测试卷.pdf
10.00金币
0下载
二年级数学下册期末质检卷(苏教版)二年级数学下册期末质检卷(苏教版)#期末复习 #期末测试卷 #二年级数学 #二年级数学下册#关注我持续更新小学知识.pdf
10.00金币
0下载
二年级数学下册期末混合运算专项练习二年级数学下册期末混合运算专项练习#二年级#二年级数学下册#关注我持续更新小学知识 #知识分享 #家长收藏孩子受益.pdf
10.00金币
1下载
二年级数学下册年月日三类周期问题解题方法二年级数学下册年月日三类周期问题解题方法#二年级#二年级数学下册#知识分享 #关注我持续更新小学知识 #家长收藏孩子受益.pdf
10.00金币
0下载
二年级数学下册解决问题专项训练二年级数学下册解决问题专项训练#专项训练#解决问题#二年级#二年级数学下册#知识分享.pdf
10.00金币
1下载
二年级数学下册还原问题二年级数学下册还原问题#二年级#二年级数学#关注我持续更新小学知识 #知识分享 #家长收藏孩子受益.pdf
10.00金币
1下载
二年级数学下册第六单元考试卷家长打印出来给孩子测试测试争取拿到高分!#小学二年级试卷分享 #二年级第六单考试数学 #第六单考试#二年级数学下册.pdf
10.00金币
0下载
二年级数学下册必背顺口溜口诀汇总二年级数学下册必背顺口溜口诀汇总#二年级#二年级数学下册 #知识分享 #家长收藏孩子受益 #关注我持续更新小学知识.pdf
10.00金币
0下载
二年级数学下册《重点难点思维题》两大问题解决技巧和方法巧算星期几解决周期问题还原问题强化思维训练老师精心整理家长可以打印出来给孩子练习#家长收藏孩子受益 #学霸秘籍 #思维训练 #二年级 #知识点总结.pdf
10.00金币
0下载
二年级数学下册 必背公式大全寒假提前背一背开学更轻松#二年级 #二年级数学 #二年级数学下册 #寒假充电计划 #公式.pdf
10.00金币
0下载
蜗牛文库+ 关注
实名认证
内容提供者

提供各种专业文档内容

确认删除?
QQ
  • QQ点击这里给我发消息
微信客服
  • 微信客服
回到顶部