电脑桌面
添加蜗牛文库到电脑桌面
安装后可以在桌面快捷访问

2023年聚羧酸减水剂在管桩混凝土中的应用研究.docVIP免费

2023年聚羧酸减水剂在管桩混凝土中的应用研究.doc_第1页
2023年聚羧酸减水剂在管桩混凝土中的应用研究.doc_第2页
2023年聚羧酸减水剂在管桩混凝土中的应用研究.doc_第3页
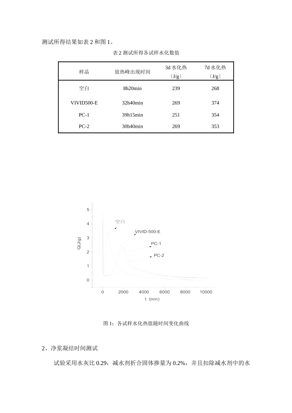
聚羧酸减水剂在管桩混凝土中的应用研究管桩混凝土是一种高性能混凝土,其要求混凝土在较短时间内就快速开展,为此要求混凝土水灰比拟低,且为防止试块成型造成空隙,还要求混凝土具有良好的和易性。聚羧酸超塑化剂作为一种高性能减水剂,可以极大的降低混凝土用水量,并提高混凝土和易性,为此可将该类减水剂应用于管桩混凝土之中。本文主要内容为我公司聚羧酸产品VIVID-500E在实验室模拟条件下的产品性能测试及在江苏建华管桩中的实际应用情况。一、水泥净浆相关性能研究样品:VIVID-500E〔由南京瑞固聚合物生产〕,市售产品PC-1,PC-2,这两种产品均是成功应用于管桩生产的聚羧酸减水剂。水泥:基准水泥水化热测试仪器:微量热仪,型号为PAMC081、水泥水化热比拟试验采用水灰比0.35,减水剂折合固体掺量为0.25%,并且扣除减水剂中的水分,测试其7天水化热。表1:水化热测试试验配比减水剂种类试验配合比/g水泥水减水剂空白2.00000.7000—vivid-500E2.00000.69400.0100PC-12.00000.69400.0100PC-22.00000.69400.0100测试所得结果如表2和图1。表2测试所得各试样水化数值图1:各试样水化热值随时间变化曲线2、净浆凝结时间测试试验采用水灰比0.29,减水剂折合固体掺量为0.2%,并且扣除减水剂中的水样品放热峰出现时间3d水化热〔J/g〕7d水化热〔J/g〕空白8h20min239268VIVID500-E32h40min269374PC-139h15min251354PC-230h40min26935349.855.856.658.562.964.24550556065PC-1PC-2VIVID-500-E减水剂品种抗压强度/MPa蒸养后1天强度蒸养后三天强度分,利用邵氏硬度计判断净浆的凝结时间。表3不同减水剂净浆凝结时间VIVID-500-EPC-1PC-2凝结时间/h5.510.58.5综合水化热数据及凝结时间结果可以看出,比照PC-1及PC-2这两个成熟的管桩用减水剂,VIVID-500E放热峰出现时间早,7天水化热值也较大,净浆凝结时间短,应是一个理想的管桩用减水剂。二、聚羧酸在管桩混凝土中的性能1、VIVID-500E与市售产品PC-1及PC-2混凝土性能比拟混凝土配合比为:水泥:矿粉:砂子:石子=416:104:684:1216,水泥为铜陵海螺PⅡ.52.5养护条件:混凝土试块成型后静停2小时,2小时内升温至75℃,75℃恒温常压养护4小时,降温两小时。试验结果见图2图2掺不同种减水剂后试块强度性能比拟备注:本实验是在实验室模拟环境条件及本地原材料的前提下进行,试验结果仅作为比拟及参考。2、静停时间变化对强度的影响对于实验室低温蒸养工艺,改变混凝土成型后静停时间,其后升温及蒸养工艺...

1、当您付费下载文档后,您只拥有了使用权限,并不意味着购买了版权,文档只能用于自身使用,不得用于其他商业用途(如 [转卖]进行直接盈利或[编辑后售卖]进行间接盈利)。
2、本站所有内容均由合作方或网友上传,本站不对文档的完整性、权威性及其观点立场正确性做任何保证或承诺!文档内容仅供研究参考,付费前请自行鉴别。
3、如文档内容存在违规,或者侵犯商业秘密、侵犯著作权等,请点击“违规举报”。

碎片内容

蜗牛文库的最新文档

二年级数学下册其中检测卷二年级数学下册其中检测卷附答案#期中测试卷.pdf
10.00金币
0下载
二年级数学下册期末质检卷(苏教版)二年级数学下册期末质检卷(苏教版)#期末复习 #期末测试卷 #二年级数学 #二年级数学下册#关注我持续更新小学知识.pdf
10.00金币
0下载
二年级数学下册期末混合运算专项练习二年级数学下册期末混合运算专项练习#二年级#二年级数学下册#关注我持续更新小学知识 #知识分享 #家长收藏孩子受益.pdf
10.00金币
1下载
二年级数学下册年月日三类周期问题解题方法二年级数学下册年月日三类周期问题解题方法#二年级#二年级数学下册#知识分享 #关注我持续更新小学知识 #家长收藏孩子受益.pdf
10.00金币
0下载
二年级数学下册解决问题专项训练二年级数学下册解决问题专项训练#专项训练#解决问题#二年级#二年级数学下册#知识分享.pdf
10.00金币
1下载
二年级数学下册还原问题二年级数学下册还原问题#二年级#二年级数学#关注我持续更新小学知识 #知识分享 #家长收藏孩子受益.pdf
10.00金币
1下载
二年级数学下册第六单元考试卷家长打印出来给孩子测试测试争取拿到高分!#小学二年级试卷分享 #二年级第六单考试数学 #第六单考试#二年级数学下册.pdf
10.00金币
0下载
二年级数学下册必背顺口溜口诀汇总二年级数学下册必背顺口溜口诀汇总#二年级#二年级数学下册 #知识分享 #家长收藏孩子受益 #关注我持续更新小学知识.pdf
10.00金币
0下载
二年级数学下册《重点难点思维题》两大问题解决技巧和方法巧算星期几解决周期问题还原问题强化思维训练老师精心整理家长可以打印出来给孩子练习#家长收藏孩子受益 #学霸秘籍 #思维训练 #二年级 #知识点总结.pdf
10.00金币
0下载
二年级数学下册 必背公式大全寒假提前背一背开学更轻松#二年级 #二年级数学 #二年级数学下册 #寒假充电计划 #公式.pdf
10.00金币
0下载
蜗牛文库+ 关注
实名认证
内容提供者

提供各种专业文档内容

确认删除?
QQ
  • QQ点击这里给我发消息
微信客服
  • 微信客服
回到顶部