电脑桌面
添加蜗牛文库到电脑桌面
安装后可以在桌面快捷访问

HJ 476-2009 清洁生产标准 氯碱工业(聚氯乙烯).pdfVIP免费

HJ 476-2009 清洁生产标准 氯碱工业(聚氯乙烯).pdf_第1页
HJ 476-2009 清洁生产标准 氯碱工业(聚氯乙烯).pdf_第2页
HJ 476-2009 清洁生产标准 氯碱工业(聚氯乙烯).pdf_第3页
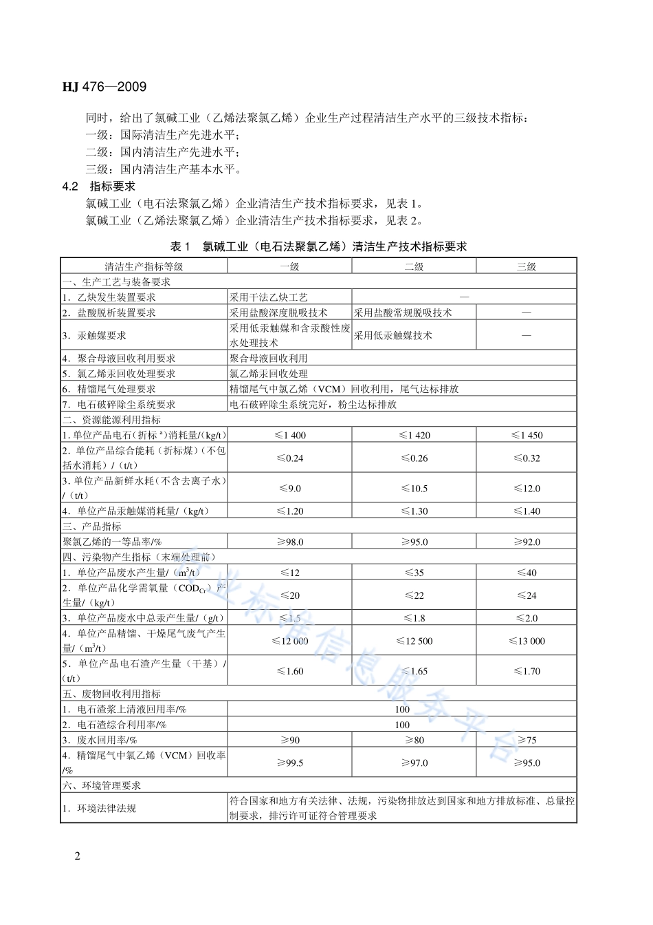
HJ476—20091清洁生产标准氯碱工业(聚氯乙烯)1适用范围本标准规定了氯碱工业(聚氯乙烯)企业清洁生产的一般要求。本标准将清洁生产指标分成六类,即生产工艺与装备要求、资源能源利用指标、产品指标、污染物产生指标(末端处理前)、废物回收利用指标和环境管理要求。本标准适用于悬浮法(电石法和乙烯法)生产通用型聚氯乙烯树脂的生产企业清洁生产审核和清洁生产潜力与机会的判断、清洁生产绩效评定和清洁生产绩效公告制度,也适用于环境影响评价和排污许可证等环境管理制度。采用二氯乙烷裂解或外购氯乙烯单体生产聚氯乙烯的企业可参照乙烯法。2规范性引用文件本标准内容引用了下列文件中的条款。凡是不注日期的引用文件,其有效版本适用于本标准。GB7468—87水质总汞的测定冷原子吸收分光光度法GB11914—89水质化学需氧量的测定重铬酸盐法GB/T24001环境管理体系要求及使用指南HJ/T91地表水和污水监测技术规范《清洁生产审核暂行办法》(国家发展和改革委员会、国家环境保护总局令第16号)3术语和定义下列术语和定义适用于本标准。3.1电石法以电石为原料与水反应生成乙炔,乙炔与氯化氢在汞触媒作用下生成氯乙烯单体,再通过聚合反应生成聚氯乙烯的生产方法。3.2乙烯法以乙烯为原料制取氯乙烯单体,再经聚合反应生成聚氯乙烯的生产方法,同时也包括二氯乙烷裂解法和氯乙烯单体法。3.3污染物产生指标(末端处理前)即产污系数,指单位产品生产(或加工)过程中,产生污染物的量(末端处理前)。本标准水污染物产生指标指废水处理装置入口的废水量和污染物种类、单排量或浓度;废气污染物产生指标包括精馏和干燥过程中产生的废气量和污染物种类、单排量或浓度;固体废物产生指标主要指电石法聚氯乙烯生产过程中产生的电石渣量。4规范性技术要求4.1指标分级本标准给出了氯碱工业(电石法聚氯乙烯)企业生产过程清洁生产水平的三级技术指标:一级:国内清洁生产领先水平;二级:国内清洁生产先进水平;三级:国内清洁生产基本水平。HJ476—20092同时,给出了氯碱工业(乙烯法聚氯乙烯)企业生产过程清洁生产水平的三级技术指标:一级:国际清洁生产先进水平;二级:国内清洁生产先进水平;三级:国内清洁生产基本水平。4.2指标要求氯碱工业(电石法聚氯乙烯)企业清洁生产技术指标要求,见表1。氯碱工业(乙烯法聚氯乙烯)企业清洁生产技术指标要求,见表2。表1氯碱工业(电石法聚氯乙烯)清洁生产技术指标要求清洁生产指标等级一级二级三级一、...

1、当您付费下载文档后,您只拥有了使用权限,并不意味着购买了版权,文档只能用于自身使用,不得用于其他商业用途(如 [转卖]进行直接盈利或[编辑后售卖]进行间接盈利)。
2、本站所有内容均由合作方或网友上传,本站不对文档的完整性、权威性及其观点立场正确性做任何保证或承诺!文档内容仅供研究参考,付费前请自行鉴别。
3、如文档内容存在违规,或者侵犯商业秘密、侵犯著作权等,请点击“违规举报”。

碎片内容

蜗牛文库的最新文档

二年级数学下册其中检测卷二年级数学下册其中检测卷附答案#期中测试卷.pdf
10.00金币
0下载
二年级数学下册期末质检卷(苏教版)二年级数学下册期末质检卷(苏教版)#期末复习 #期末测试卷 #二年级数学 #二年级数学下册#关注我持续更新小学知识.pdf
10.00金币
0下载
二年级数学下册期末混合运算专项练习二年级数学下册期末混合运算专项练习#二年级#二年级数学下册#关注我持续更新小学知识 #知识分享 #家长收藏孩子受益.pdf
10.00金币
1下载
二年级数学下册年月日三类周期问题解题方法二年级数学下册年月日三类周期问题解题方法#二年级#二年级数学下册#知识分享 #关注我持续更新小学知识 #家长收藏孩子受益.pdf
10.00金币
0下载
二年级数学下册解决问题专项训练二年级数学下册解决问题专项训练#专项训练#解决问题#二年级#二年级数学下册#知识分享.pdf
10.00金币
1下载
二年级数学下册还原问题二年级数学下册还原问题#二年级#二年级数学#关注我持续更新小学知识 #知识分享 #家长收藏孩子受益.pdf
10.00金币
1下载
二年级数学下册第六单元考试卷家长打印出来给孩子测试测试争取拿到高分!#小学二年级试卷分享 #二年级第六单考试数学 #第六单考试#二年级数学下册.pdf
10.00金币
0下载
二年级数学下册必背顺口溜口诀汇总二年级数学下册必背顺口溜口诀汇总#二年级#二年级数学下册 #知识分享 #家长收藏孩子受益 #关注我持续更新小学知识.pdf
10.00金币
0下载
二年级数学下册《重点难点思维题》两大问题解决技巧和方法巧算星期几解决周期问题还原问题强化思维训练老师精心整理家长可以打印出来给孩子练习#家长收藏孩子受益 #学霸秘籍 #思维训练 #二年级 #知识点总结.pdf
10.00金币
0下载
二年级数学下册 必背公式大全寒假提前背一背开学更轻松#二年级 #二年级数学 #二年级数学下册 #寒假充电计划 #公式.pdf
10.00金币
0下载
蜗牛文库+ 关注
实名认证
内容提供者

提供各种专业文档内容

确认删除?
QQ
  • QQ点击这里给我发消息
微信客服
  • 微信客服
回到顶部